EasyManua.ls Logo

WinGD X72 - Servo Oil Pressure Control

WinGD X72
514 pages
Print Icon
To Next Page IconTo Next Page
To Next Page IconTo Next Page
To Previous Page IconTo Previous Page
To Previous Page IconTo Previous Page
Loading...
Operation
40021/A1
Winterthur Gas & Diesel Ltd.
9/ 22
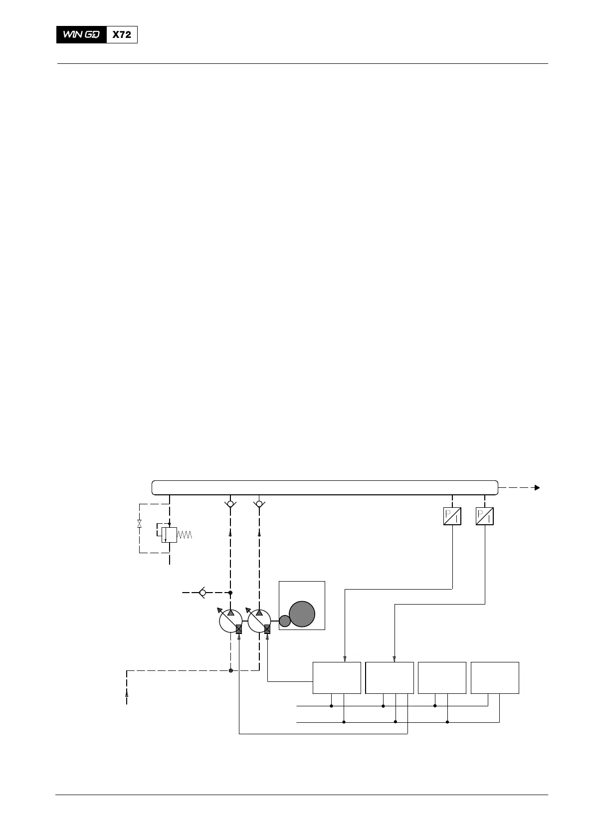
3.2 Servo Oil Pressure Control
3.2.1 Pressure Setpoint
The internal controller of the servo oil pumps keeps the basic servo oil pressure.
The load dependent changes in servo oil pressure is controlled by the CCM-20 Cyl. 3
(with the signal CV7221C to servo oil pump #1) and CCM-20 Cyl. 4 (with the signal
CV7222C to servo oil pump #2).
To close the control loop the feedback signal from the servo oil rail pressure
transmitter PT2071C is send to CCM-20 Cyl. 3 and from PT2072C to CCM-20 Cyl. 4.
3.2.2 Emergency Mode
If one servo oil pump becomes defective, the system will continue to operate. The
other servo oil pump will continue to supply the necessary pressure to the servo oil
rail. If both servo oil pumps have an electrical failure, the engine can still operate at
low load.
3.2.3 Monitored Items
The servo oil pressure is monitored. If the servo oil pressure is out of the tolerance, a
failure indication is shown on the LDU-20.
The sensors are monitored. If the sensors are out of range, an alarm is triggered in
the AMS and a failure indication is shown on the LDU-20. If both servo oil pressure
sensors have a failure, the engine can still operate at low load.
The leakage of the servo oil pumps is monitored. If there is too much servo oil
leakage, the AMS triggers an alarm.
Supply Unit
Drive
Connection
for Servo Oil
Service Pump
Servo Oil Pumps
with Internal
Pressure Controllers
CCM20
Cyl. 4
CCM20
Cyl. 3
CCM20
Cyl. 2
CCM20
Cyl. 1
Servo Oil Rail
Exhaust Valve
Control Units
Main Bearing Oil
CANBus
PT2072C
CV7221C
PT2071C
CV7222C
Safety
Valve
Fig. 4: Servo Oil Pressure Setpoint
Engine Control System
2015-12

Table of Contents

Other manuals for WinGD X72

Related product manuals