EasyManua.ls Logo

WinGD X72 - Page 256

WinGD X72
514 pages
Print Icon
To Next Page IconTo Next Page
To Next Page IconTo Next Page
To Previous Page IconTo Previous Page
To Previous Page IconTo Previous Page
Loading...
Operation40021/A1
Winterthur Gas & Diesel Ltd.
12/ 22
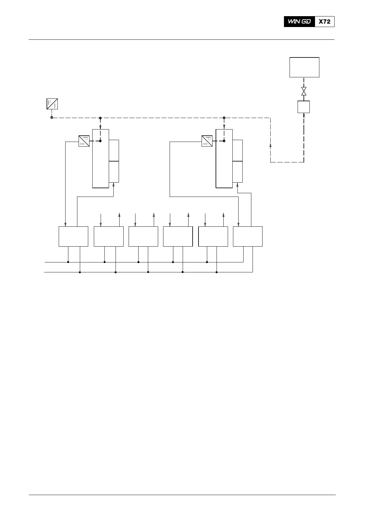
DATA FOR
6 CYLINDERS
CCM-20
Cyl. 1
CCM-20
Cyl. 2
CCM-20
Cyl. 3
CCM-20
Cyl. 4
CCM-20
Cyl. 5
CANBus
CCM-20
Cyl. 6
Duplex
Filter
Cylinder
Lubricating
Oil Tank
Lubricating
Pump
PT3124A
PT3131C PT3136C
Lubricating
Pump
CV7131C
CV7136C
Fig. 6: Cylinder Lubricating System
Engine Control System
2015-12

Table of Contents

Other manuals for WinGD X72

Related product manuals