EasyManua.ls Logo

WinGD X72 - Page 479

WinGD X72
514 pages
Print Icon
To Next Page IconTo Next Page
To Next Page IconTo Next Page
To Previous Page IconTo Previous Page
To Previous Page IconTo Previous Page
Loading...
Operation
92701/A1
Winterthur Gas & Diesel Ltd.
3/ 28
WCH03754
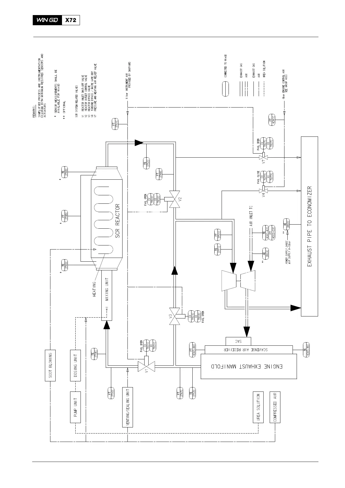
Fig. 1: SCR System Configuration
201611
Selective Catalytic Reduction System

Table of Contents

Other manuals for WinGD X72

Related product manuals