EasyManua.ls Logo

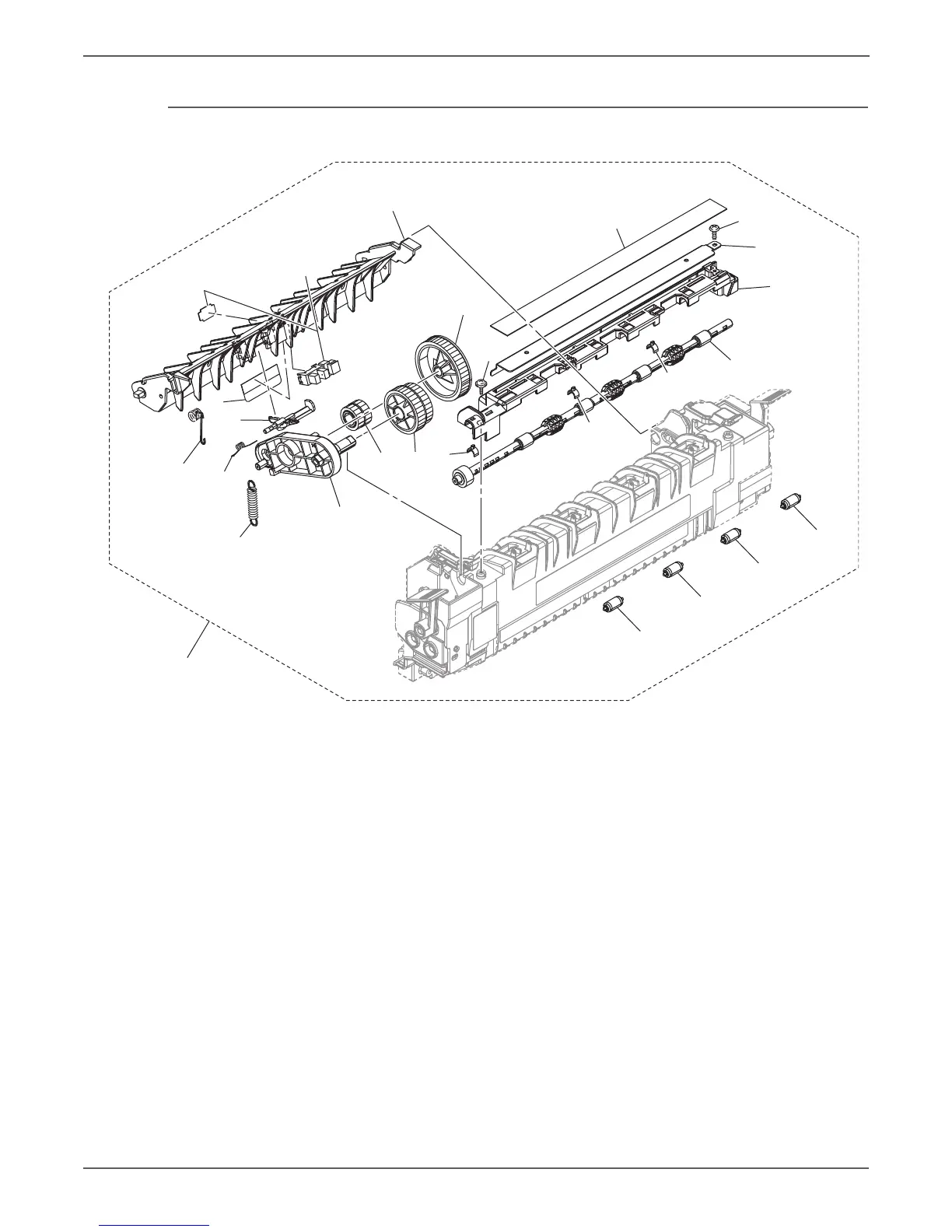
Xerox PHASER 6121MFP - Part List 11.0 Fuser

Xerox PHASER 6121MFP
532 pages
To Next Page IconTo Next Page
To Next Page IconTo Next Page
To Previous Page IconTo Previous Page
To Previous Page IconTo Previous Page
Loading...
9-34 Phaser 6121MFP Service Manual
Parts List
Part List 11.0 Fuser
PS4
6
6
6
6
1
2
3
4
4
4
5
7
8
9
10
11
12
14
13
15
16
17
18
b
a
s6121mfp-064

Table of Contents

Other manuals for Xerox PHASER 6121MFP

Related product manuals