EasyManua.ls Logo

Xerox Phaser 7760 - Page 364

Xerox Phaser 7760
564 pages
Print Icon
To Next Page IconTo Next Page
To Next Page IconTo Next Page
To Previous Page IconTo Previous Page
To Previous Page IconTo Previous Page
Loading...
January 2010
2-328
Phaser 7760 Color Laser Printer
012-959
Revised
Status Indicator RAP’s
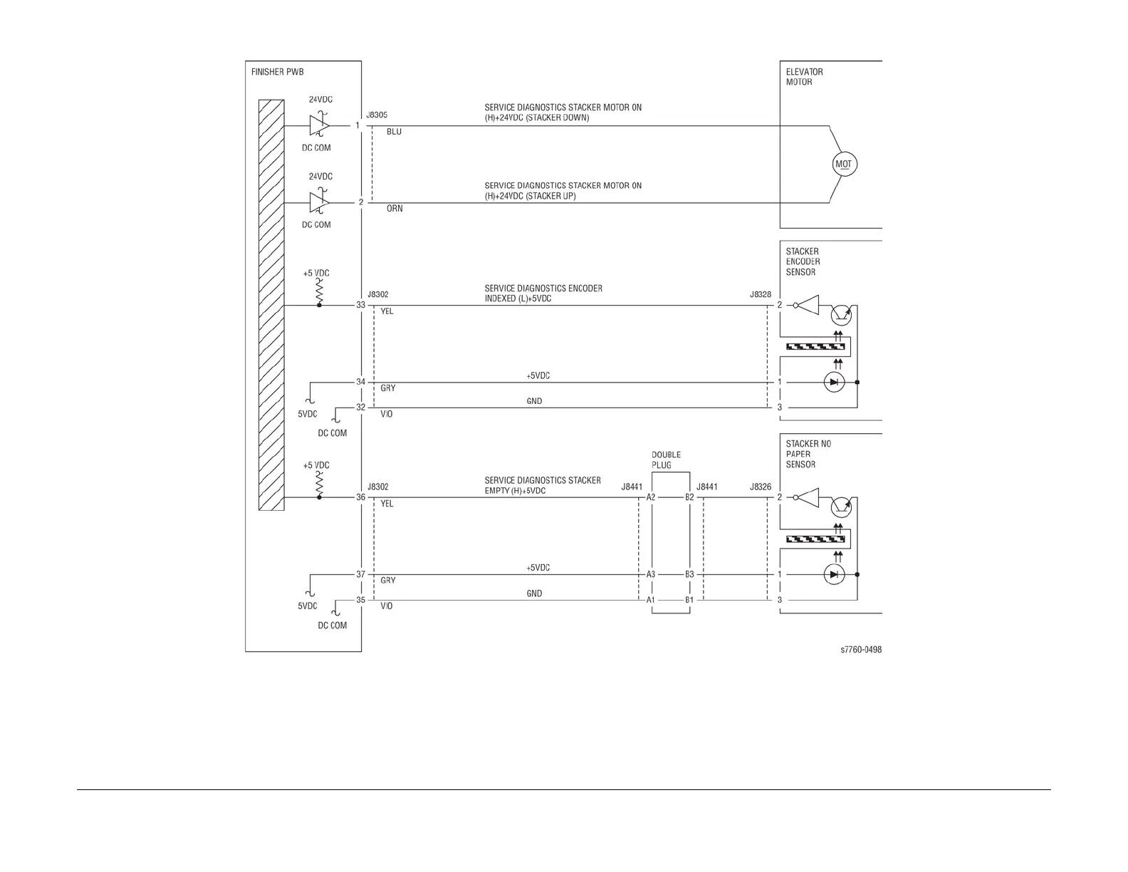
Figure 1 012-959 Stacker Tray

Table of Contents