EasyManua.ls Logo

Xerox Phaser 7760 - Page 410

Xerox Phaser 7760
564 pages
Print Icon
To Next Page IconTo Next Page
To Next Page IconTo Next Page
To Previous Page IconTo Previous Page
To Previous Page IconTo Previous Page
Loading...
January 2010
2-374
Phaser 7760 Color Laser Printer
024-980
Revised
Status Indicator RAP’s
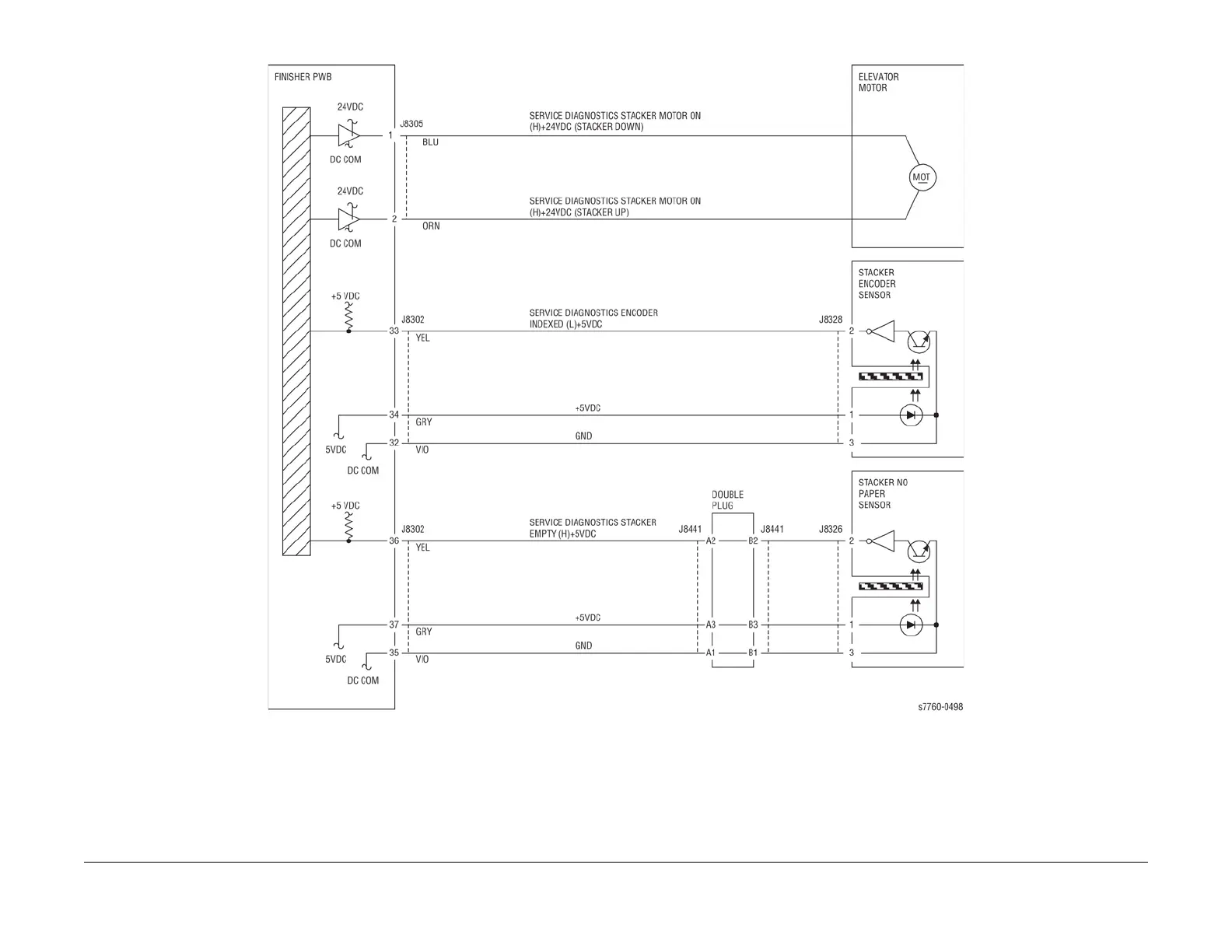
Figure 1 024-980 Finisher Stacker Tray Full

Table of Contents