EasyManua.ls Logo

ADCMT 6253 - Page 155

ADCMT 6253
274 pages
Print Icon
To Next Page IconTo Next Page
To Next Page IconTo Next Page
To Previous Page IconTo Previous Page
To Previous Page IconTo Previous Page
Loading...
6253 DC Voltage Current Source/Monitor Operation Manual
4.2.11 Multiple Unit Operation
4-67
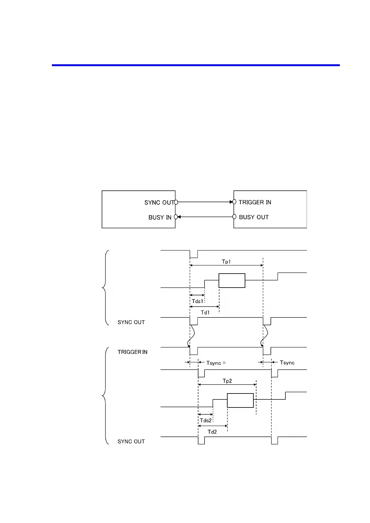
2. Restrictions on setting
The 6253 has a Tsync time delay of approximately 5 s from the external trigger input to the
measurement start. Consider this time delay when using two or more 6253 units in synchronous
operation.
There are restrictions on setting Tp and Th of the slaves when using the external trigger.
The first synchronous sweep step is displaced within the Th accurate range.
Tp for synchronous operation is limited to the value below.
Master Tp 1 ms, Slave Tp 500 s
The period may be extended depending on the timing of measured value display. If it matters, set
the display OFF.
6253 (Master) 6253 (Slave)
(Trigger mode: HOLD)
Approx. 5 s
6253
(Master)
6253
(Slave)
Trigger start
Source and
Measurement
Internal trigger
Source and
Measurement
Measurement
Measurement

Table of Contents

Related product manuals