EasyManua.ls Logo

ADCMT 6253 - Calibration Procedure

ADCMT 6253
274 pages
Print Icon
To Next Page IconTo Next Page
To Next Page IconTo Next Page
To Previous Page IconTo Previous Page
To Previous Page IconTo Previous Page
Loading...
6253 DC Voltage Current Source/Monitor Operation Manual
7.5 Calibration Procedure
7-6
7.5 Calibration Procedure
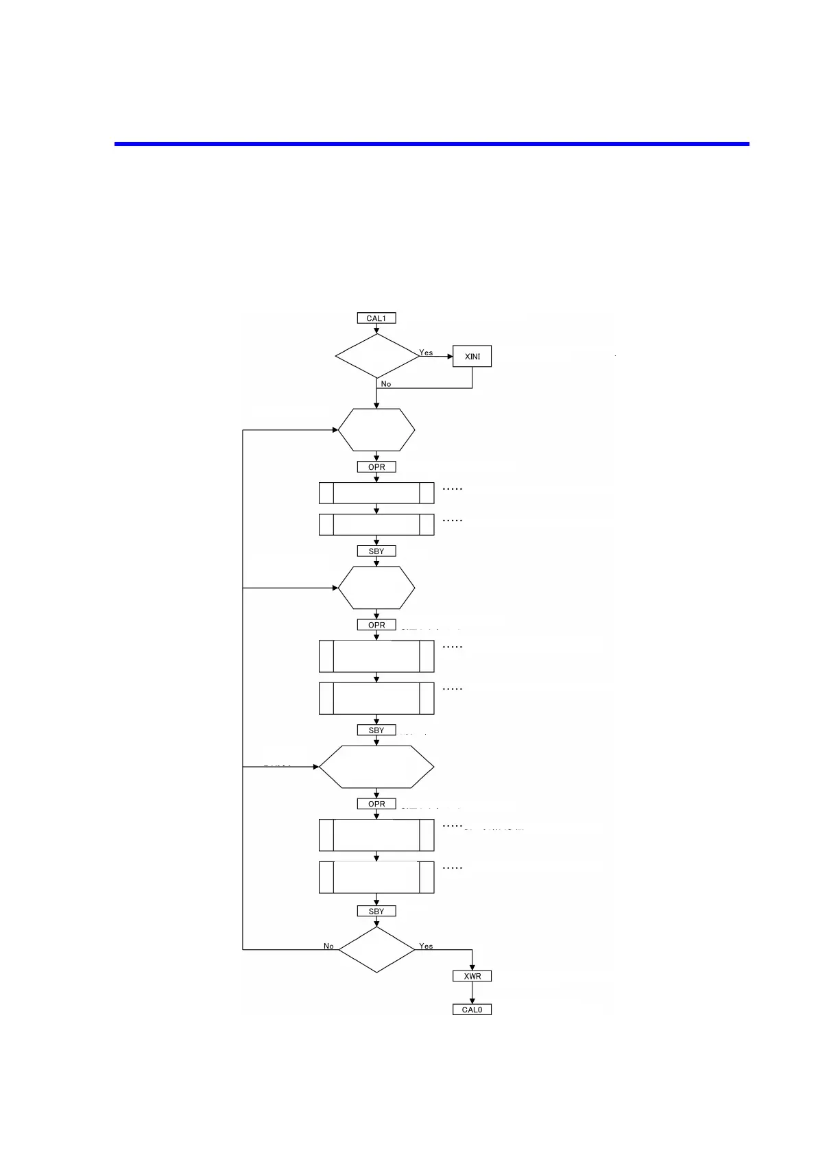
The 6253 is calibrated by using the remote commands through USB, GPIB, LAN or RS232.
Figure 7-2 to Figure 7-8 show the calibration procedures. For more information on the remote commands,
refer to the calibration parameters described in Section 5.8.3, “Remote Command List.”
Figure 7-2 Calibration Procedure (1)
Enters the calibration mode.
Calibration data initialization
(Default to Ram)
Initialize?
[Voltage calibration]
DMM
preparation
- Cable
- DCV setting
Calibration mode: Operate
Refer to Calibration Procedure (2).
Refer to Calibration Procedure (3).
Voltage source/
limit calibration
Voltage measurement
calibratio
Standby
[Current calibration]
3 μA to 300 mA range
DMM
preparation
- Cable
- DCI setting
Calibration mode: Operate
Refer to Calibration Procedure (4).
Refer to Calibration Procedure (5).
Current source/
limit calibration
(3
μ
A to 300 mA range)
Current measurement
calibration
(3
μ
A to 300 mA range)
Standby
[Current calibration]
2 A range
DMM preparation
- Standard resistor
- Cable
Calibration mode: Operate
Refer to Calibration Procedure (6).
Refer to Calibration Procedure (7).
Standby
Current source/
limit calibration
(2 A range)
Current measurement
calibration
(2 A range)
Calibration
end?
Calibration data save   
(Ram to Flash)
Calibration mode end

Table of Contents

Related product manuals