EasyManua.ls Logo

Azbil DCP31 - Page 169

Azbil DCP31
242 pages
Print Icon
To Next Page IconTo Next Page
To Next Page IconTo Next Page
To Previous Page IconTo Previous Page
To Previous Page IconTo Previous Page
Loading...
7-59
Chapter 7. PARAMETER SETUP
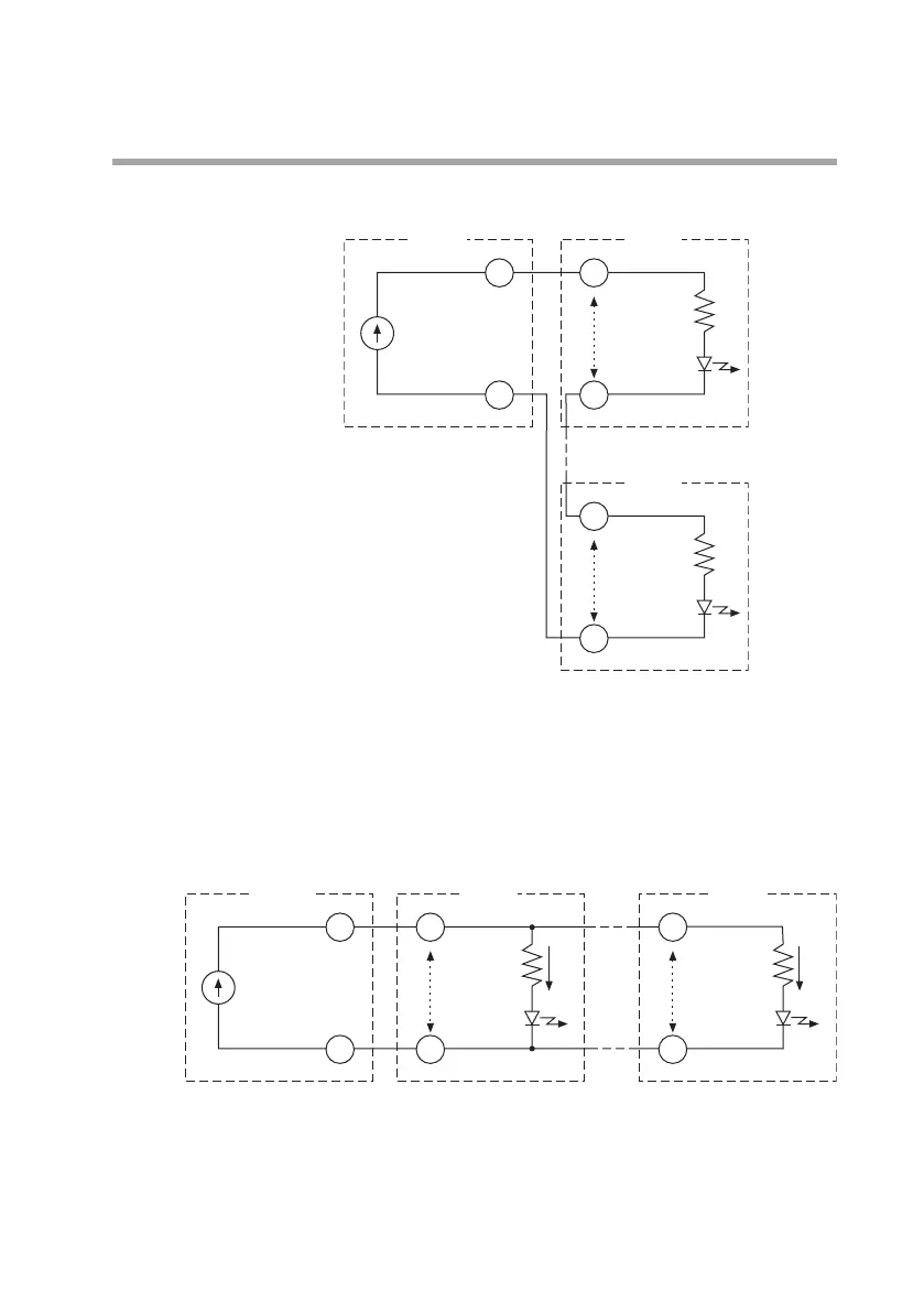
(3)EquivalentcircuitwhenNnumberofSSRsareconnectedin
series
Formulas(3)and(4)formulasmustbesatisfied.
(3)formula V
SSR/MIN
≤I
O
×Z+V
D
≤V
O
/N
(4)formula V
SSR'
≤V
SSR/MAX
(V
SSR'
=I
O
×Z+V
D
)
(4)EquivalentcircuitwhenNnumberofSSRsareconnectedin
parallel
Formulas(5)and(6)formulasmustbesatisfied.
(5)formula V
SSR/MIN
≤I
O
/N×Z+V
D
≤V
O
(6)formula V
SSR'
≤V
SSR/MAX
(V
SSR'
=I
O
/N×Z+V
D
)
DCP31 SSR 1
I
O
(V
O
)
V
SSR'
Z
V
D
SSR N
+
V
SSR'
Z
V
D
+ +
DCP31 SSR 1
+
+
I
O
(V
O
)
V
SSR'
Z
V
D
SSR N
+
V
SSR'
Z
V
D
I
O
/N I
O
/N

Table of Contents

Related product manuals