EasyManua.ls Logo

Baumuller b maXX BM1000 - Page 50

Baumuller b maXX BM1000
176 pages
Print Icon
To Next Page IconTo Next Page
To Next Page IconTo Next Page
To Previous Page IconTo Previous Page
To Previous Page IconTo Previous Page
Loading...
Connection diagrams
Manual b maXX
®
BM1000
Document No. 5.07003.04 Baumüller Nürnberg GmbH
50
of 174
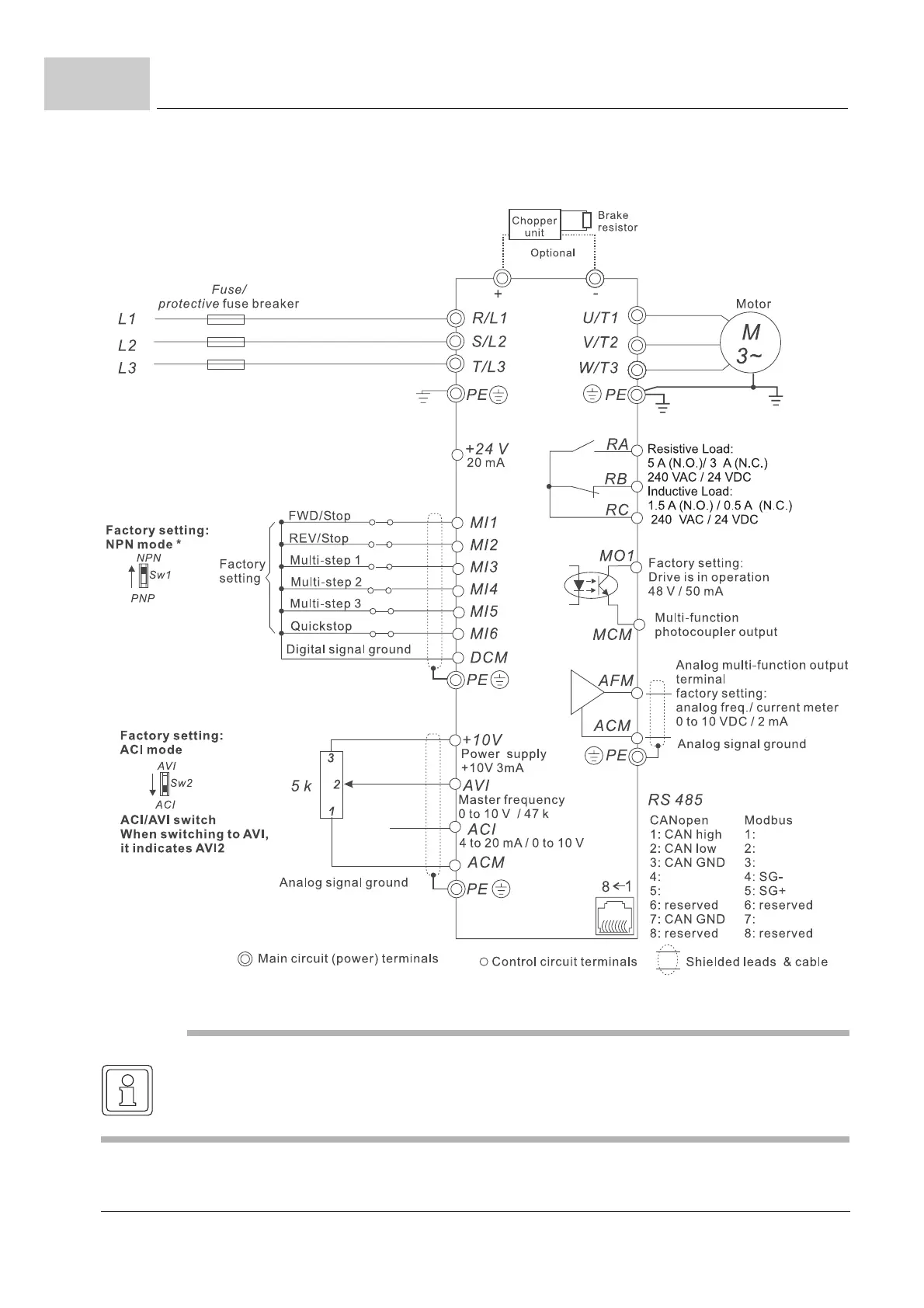
6.9
m BM1412, BM1413, BM1414
*: Please refer to ZFigure 22on page 52 for wiring of NPN mode and PNP mode.
NOTE
Single-phase models can only use R/L1, S/L2 to be the power terminals.
Single-phase power cannot be used for 3-phase models.

Table of Contents

Related product manuals