EasyManua.ls Logo

Bentel Security FireClass 200 - Connecting the Telecom Module (FC200;COM)

Bentel Security FireClass 200
100 pages
Print Icon
To Next Page IconTo Next Page
To Next Page IconTo Next Page
To Previous Page IconTo Previous Page
To Previous Page IconTo Previous Page
Loading...
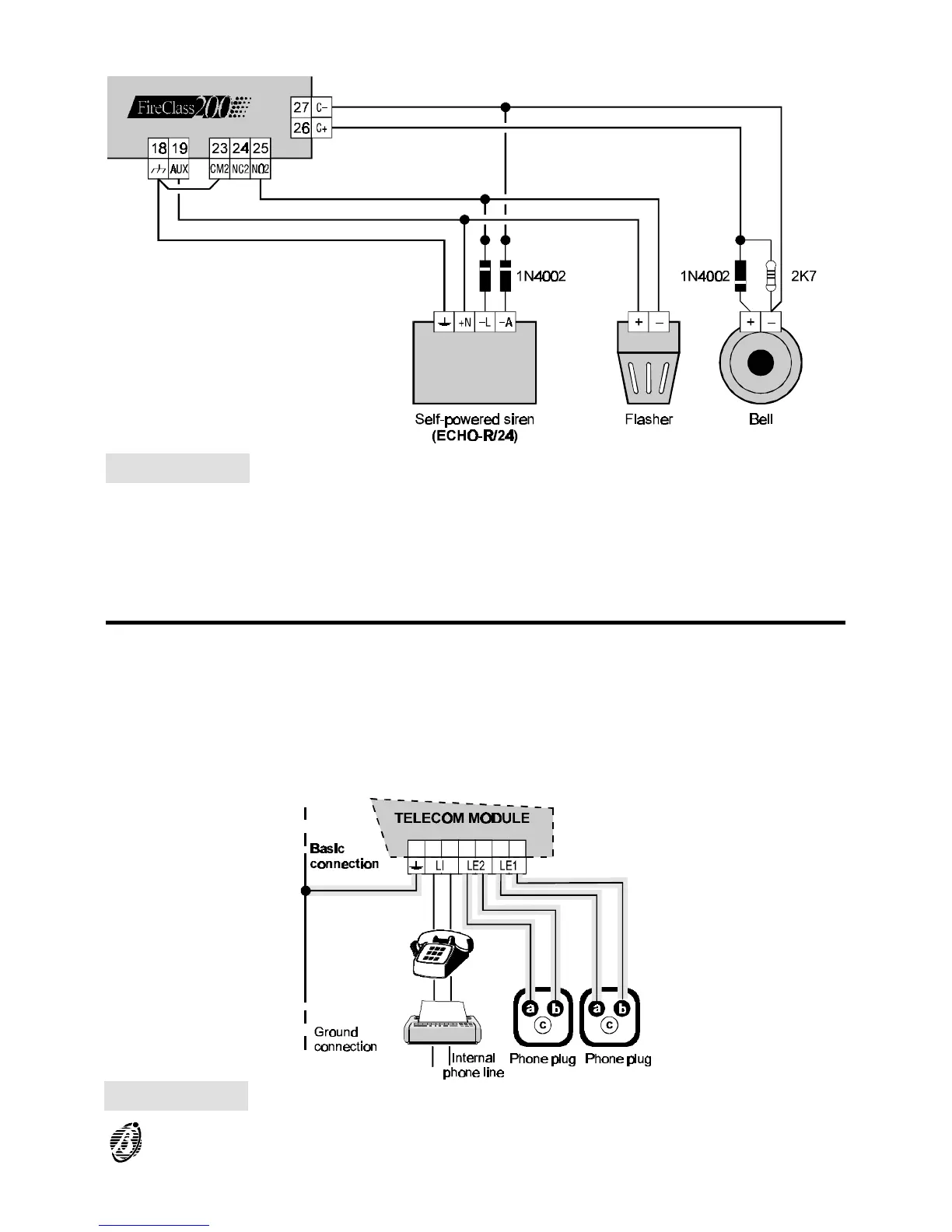
Connecting the Telecom Module (FC200/COM)
Figure 14 Wiring diagram: NON-silenceable and Silenceable Output connections
Figure 15 Wiring diagram of the Telecom module connections
INSTALLATION 31

Table of Contents

Related product manuals