EasyManua.ls Logo

Burkert 8681 - Mechanical Data

Burkert 8681
166 pages
Print Icon
To Next Page IconTo Next Page
To Next Page IconTo Next Page
To Previous Page IconTo Previous Page
To Previous Page IconTo Previous Page
Loading...
24
Technical Data
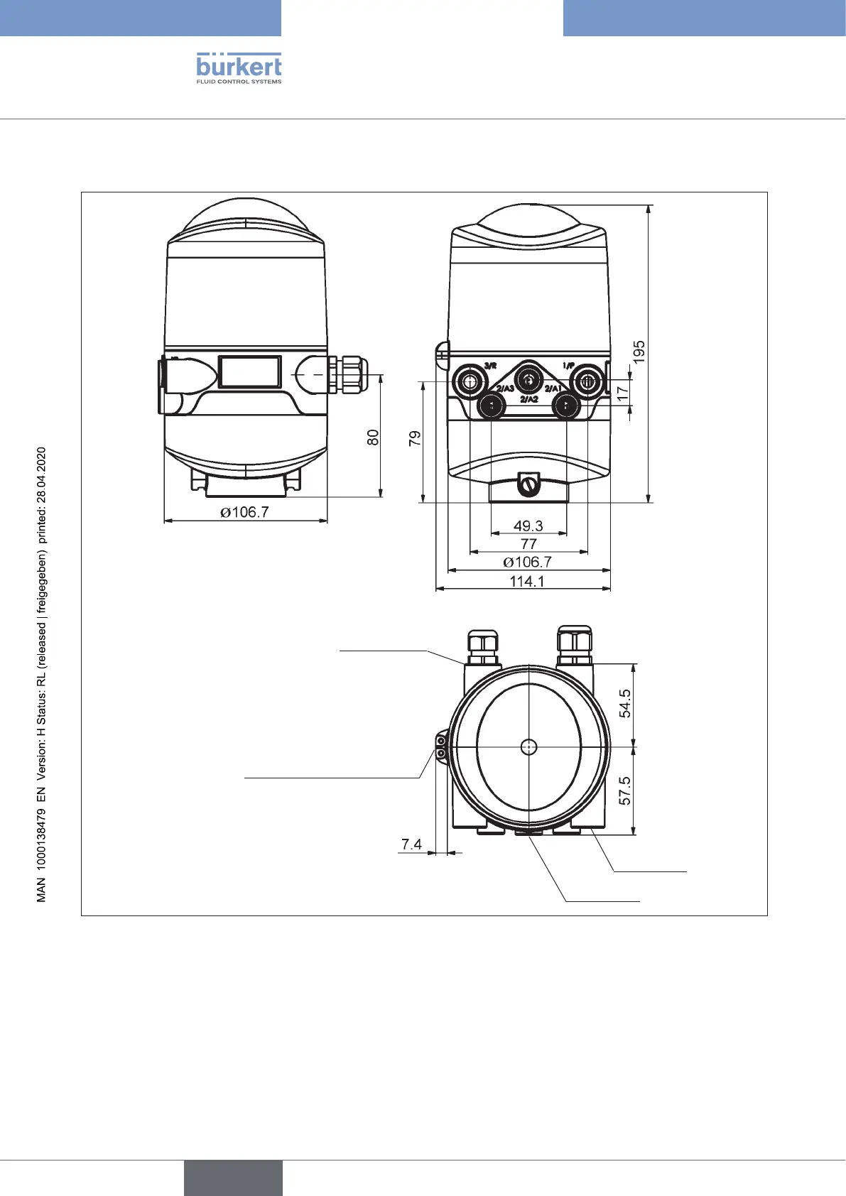
6.5 Mechanical data
Securing the hood
withleadseal(max.Ø2)
M16x1.5(2x)
G1/4(2x)
G1/8(3x)
Fig. 4: Dimensional drawing (for models with 1 to 3 solenoid valves)
english
Control Head Type 8681

Table of Contents

Other manuals for Burkert 8681

Related product manuals