EasyManua.ls Logo

Delta VP3000 Series - 10-3 Other Optional Accessories; 10-3-1 AC Reactors

Delta VP3000 Series
714 pages
To Next Page IconTo Next Page
To Next Page IconTo Next Page
To Previous Page IconTo Previous Page
To Previous Page IconTo Previous Page
Loading...
Chapter 10 Accessories | VP3000
659
10-3 Other Optional Accessories
10-3-1 AC Reactors
AC Input Reactor
Installing an AC reactor on the input side of an AC motor drive can increase line impedance, improve
the power factor, reduce input current, increase system capacity, and reduce interference generated
from the motor drive. It also reduces momentary voltage surges or abnormal current spikes from the
mains power, further protecting the drive. For example, when the main power capacity is higher than
500 kVA, or when using a phase-compensation capacitor, momentary voltage and current spikes may
damage the AC motor drive’s internal circuit. An AC reactor on the input side of the AC motor drive
protects it by suppressing surges.
NOTE:
1. When the power voltage exceeds the drive specification 380–480 V
AC
with lower limit of ±20V,
which is lower than 360 V
AC
or higher than 500 V
AC
, it is not recommended to install an AC
reactor. If you need to install an AC reactor under this input voltage level, ensure that the output
equivalent inductance of the transformer in the factory is less than the following recommended
value:





 

For example:


, then it is not recommended to install an AC input reactor.
2. If a three-phase generator is used to supply power to the drive, the generator output voltage
should be set within the input voltage specification range marked on the drive, that is 380 V
AC
V
in
≤ 480 V
AC
.
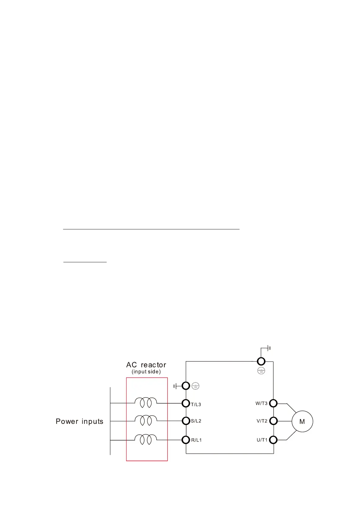
Installation
Install an AC input reactor in series between the main power and the three input phases R S T, as
shown in the figure below:
Figure 10-41

Table of Contents

Related product manuals