EasyManua.ls Logo

ECKELMANN Case Controller UA 4 E Series - Fan Control - Controller Type UA 141 E; Fan Control with Coldroom Controllers

ECKELMANN Case Controller UA 4 E Series
466 pages
Print Icon
To Next Page IconTo Next Page
To Next Page IconTo Next Page
To Previous Page IconTo Previous Page
To Previous Page IconTo Previous Page
Loading...
Firmware V3.13
21.04.2021
94/466
5.10.4 Fan control - controller type UA 141 E
The case controller does not contain any fan control for this controller type.
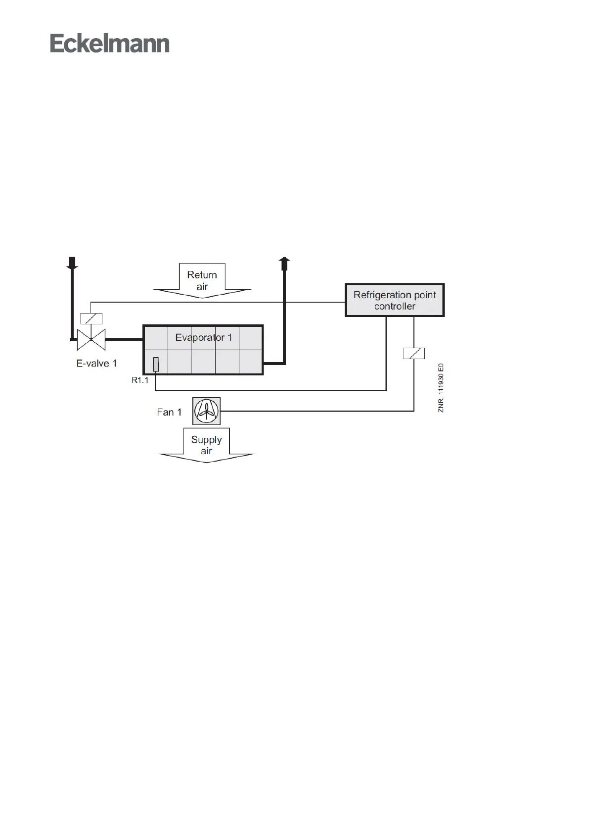
5.10.5 Fan control with coldroom controllers
Controller types UR 141 NE, UR 141 TE
In siThe fan is switched on during refrigeration. The behaviour of the fan during defrosting can be adjusted
(switch off / continuous operation), i.e. is dependent on the set controller type (see below). The fan controller
has a different effect on the fan relay during single-zone or two-zone operation. ngle-zone mode the defrost
sensor R1.1 and fan control relay act on one zone.
R1.1: Defrost sensor (Terminal Z31/Z32)
Expansion valve 1: Relay for expansion valve 1 (Terminal 23/24)
Fan 1: Fan control relay (Terminal 63/64)

Table of Contents

Related product manuals