EasyManua.ls Logo

ECKELMANN Case Controller UA 4 E Series - Continuous Temperature Control by Supply and Return Air Temperature

ECKELMANN Case Controller UA 4 E Series
466 pages
Print Icon
To Next Page IconTo Next Page
To Next Page IconTo Next Page
To Previous Page IconTo Previous Page
To Previous Page IconTo Previous Page
Loading...
Firmware V3.13
21.04.2021
43/466
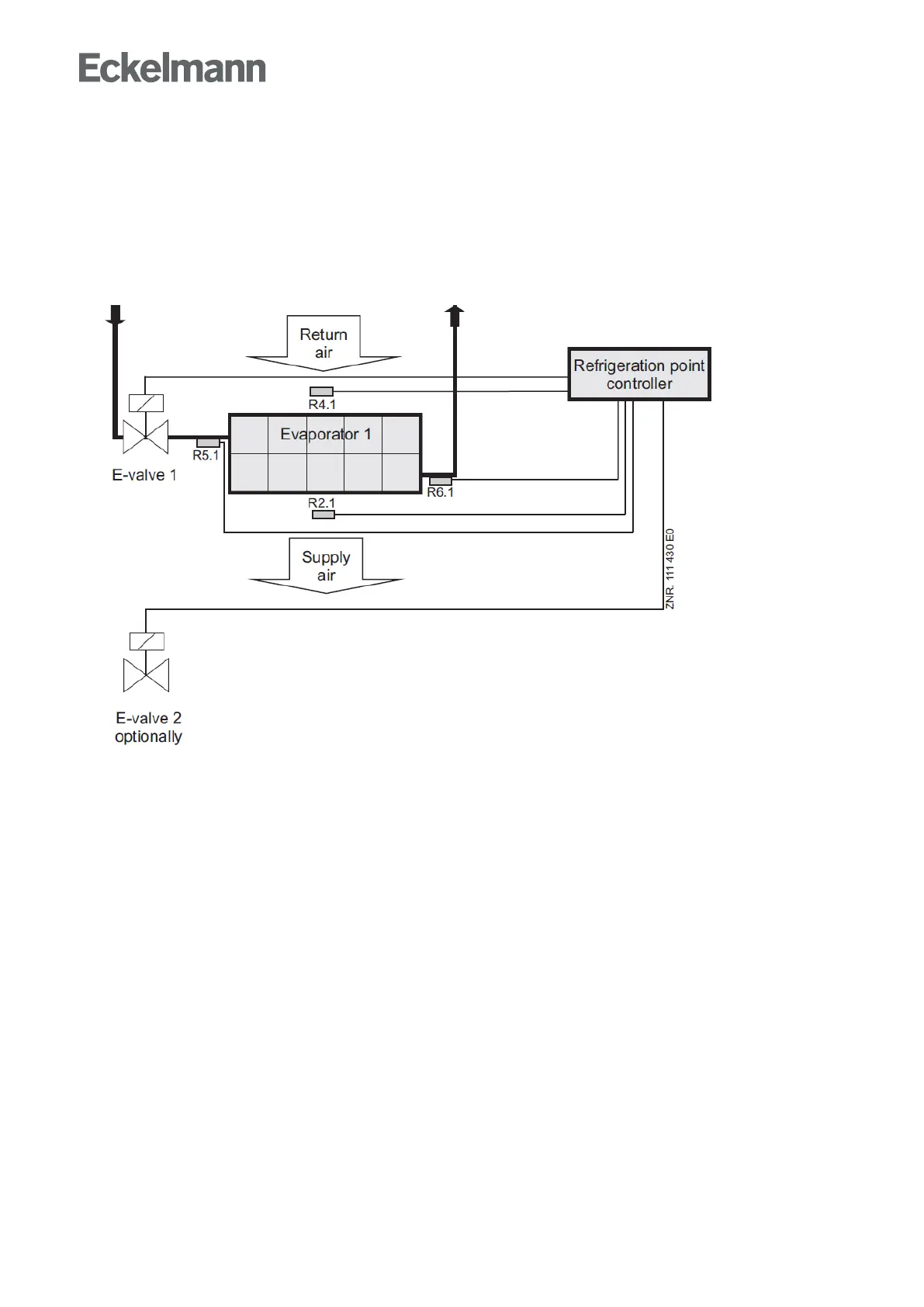
5.7.3 Continuous temperature control by supply and return air temperature
Controller types UA 121 E, UA 131 E, UA 141 E
Control is made by two temperature sensors (supply air or return air sensor of pilot case). Cooling can take
placeinsingle-zoneortwo-zonemode.Insingle-zonemode,sensorsRy.1actonbothrelays1and2ofthe
expansionvalves.Thetworelaysareactuatedatseparatetimes(seeSectionTwo Temperature Zones).
R2.1: Supply air sensor (Terminal Z11/12)
R4.1: Return air sensor (Terminal Z21/22)
R5.1: Evaporator inlet sensor (Terminal Z41/42)
R6.1: Evaporator outlet sensor (Terminal Z51/52)
Expansion valve 1: Relay for expansion valve 1 (Terminal 23/24)
Expansion valve 2: Relay for expansion valve 2 (Terminal 33/34)

Table of Contents

Related product manuals