EasyManua.ls Logo

Extra 300LX - Page 477

Extra 300LX
515 pages
Print Icon
To Next Page IconTo Next Page
To Next Page IconTo Next Page
To Previous Page IconTo Previous Page
To Previous Page IconTo Previous Page
Loading...
1
1
2
2
3
3
4
4
D D
C C
B B
A A
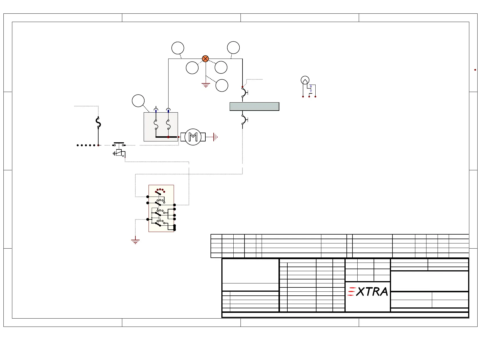
EA 300/L
STARTER ENGAGED LIGHT
EA-96102.31
30.01.06 HW
1A4 1
EA3L0940
0204 03 BenennungNr01 Teilekennzeichen ZF Werkstoff Abmessungen Menge GewichtEinheit MaWi-Nr.
1
2
3
4
83290.001VB
31732
PRESS TO TEST INDICATOR (amber)
GE330
83290.001-VB
PCB FUSE 1A
00775
MIL-W-22759/16-20WIRE AWG 20
MS25041-4
BULB (14V 0,08A)
1
1
1
mtr
3,5
01569
+ GE330
PRESS TO TEST
L2
2
3
4
1
MS25041-X
X
14
START
CB5
10A
L
R
GRD
S
BAT
PR
ZUENDSCHLOSS
OFF
R
L
BOTH
START
LR
BO
10-357200-1
S13
#8
#4
#18
M1
STARTER
#18
#4
START RELAY
K2
22735
149-12LS
#8
MAIN BUS
F3
40A
L2
STARTER ENGAGED
1
3
2
#18
INSTR
CB10
5A
MAIN BUS
see FUEL GAGES
EA-93102.4
to SHUNT
see EA-93102.9
to BATTERY RELAY
see EA-93102.9
see MAGNETO SYSTEM
EA-93102.2
D
E
see BATTERY CIRCUIT
EA-93102.9
F G
#20
#20
#20
4
4
1 23
1A
F4
5A
F5
EA-83290.1
#4
#18
Die Gültigkeitszuordnung
von Version zu
dem jeweiligen Fertigungsauftrag
zu entnehmen.
Zuordnung links / rechts wird mit
*/* in allen Feldern angegeben.
04
03
02
01
Ver. Bezeichnung
Nr.: Änderung/Mod. Nr.: Datum Name
Letzte Bearbeitung:
Datum Name
Bearb.:
Gepr.:
Maßstab
SI.-Klasse
Oberflächenschutz
Projektion
Freimaßtoleranz
Oberfläche
Schutzvermerk nach DIN 34 beachten.
EDV-Kennung:
auf
Blatt von
Schwarze Heide 21
46569 Hünxe, Germany
Gepr.:
Flugzeugbaureihe
ist der Bauakte bzw.

Table of Contents

Related product manuals