EasyManua.ls Logo

FEC AFC3000 - Page 60

FEC AFC3000
294 pages
Print Icon
To Next Page IconTo Next Page
To Next Page IconTo Next Page
To Previous Page IconTo Previous Page
To Previous Page IconTo Previous Page
Loading...
Chapter 3 System Description
PAGE 3-27
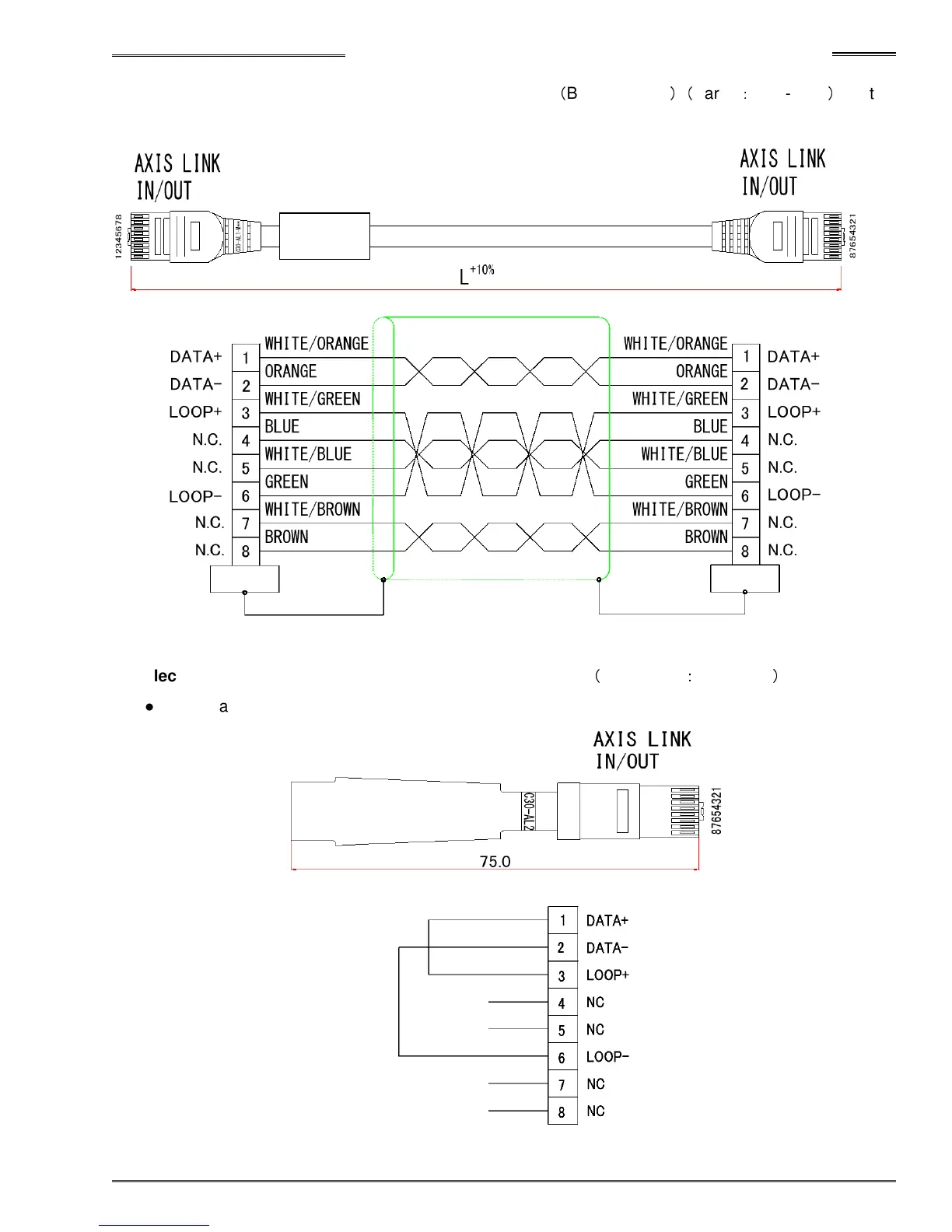
Axis Link Cable For communication between spindles
Between units
Part #
FEB-1635
1 ft.
Cable Drawing
Electrical Terminator for communication between spindle
FEC Part #
FEB-1642
Cable Drawing (Ref. DDK Part Number C30-AL2)
Frame
Frame
Shield
RJ-45 Connector
RJ-45 Connector
Controller side

Table of Contents

Other manuals for FEC AFC3000