EasyManua.ls Logo

Hisun HS700UTV-4 - Page 260

Hisun HS700UTV-4
388 pages
Print Icon
To Next Page IconTo Next Page
To Next Page IconTo Next Page
To Previous Page IconTo Previous Page
To Previous Page IconTo Previous Page
Loading...
CHASSIS
- 247-
No. Part Name Qty Remarks
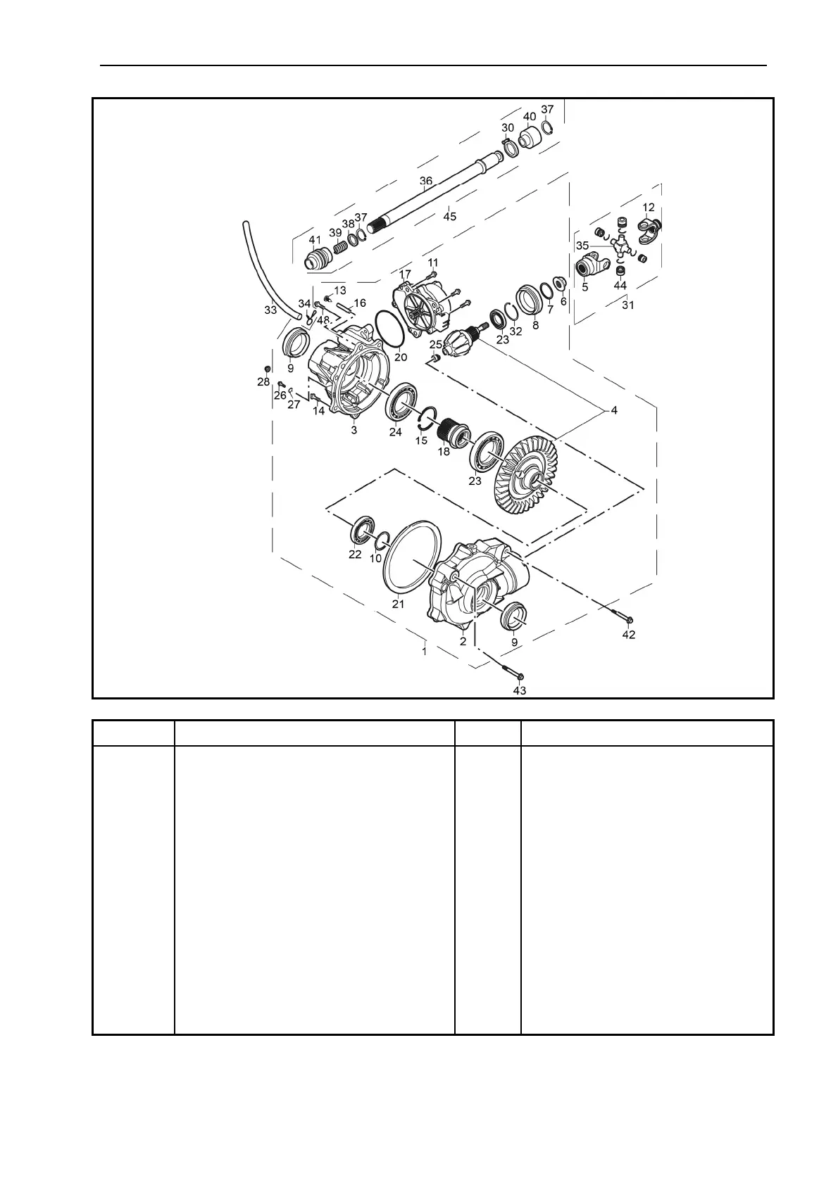
12
Connection Fork
1
13 Socket hexagon screw M8×10 1
14 Hexagon flange bolt M10×1.25×15 1
15 Clip D0=62 1
16 Pin Φ5×75 1
17 Transfer case assembly 1
18 Divide device connection 1
19 Rack 1
20 O-Ring ΦΦ81,transfer case 1
21 O-Ring Φ2.6Φ139.37 1
22 Bearing Φ35×Φ62×14 1
23 Bearing Φ60×Φ85×13 1

Table of Contents

Related product manuals