EasyManua.ls Logo

Hisun HS700UTV-4 - Page 261

Hisun HS700UTV-4
388 pages
Print Icon
To Next Page IconTo Next Page
To Next Page IconTo Next Page
To Previous Page IconTo Previous Page
To Previous Page IconTo Previous Page
Loading...
CHASSIS
- 248-
No. Part Name Qty Remarks
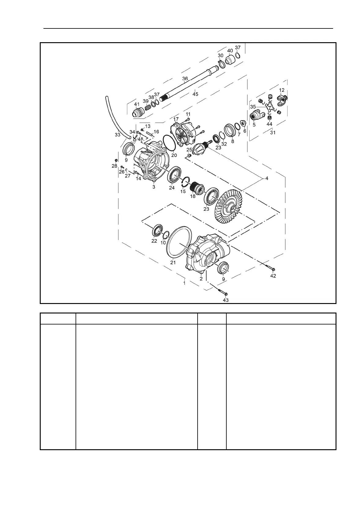
24 Bearing Φ35×Φ62×9 1
25 Bolling bearing Φ15×Φ21×12 1
26 Screw 1
27 Copper washer Φ13×1.5 1
28 Hexagon flange nut M10×1.25 1
29
Shaft fork
6
30 Clampφ20-32 1
31
Universal joint
1
32 Clip D0=62 1
33 Vent pipe L=700 1
34 Oil pipe clip Φ8 1
35 Criss-cross shaft (Φ20) 1

Table of Contents

Related product manuals