EasyManua.ls Logo

HTA HT2000H - Typical GC Interface; RS232 C Interface (Optional)

HTA HT2000H
167 pages
Print Icon
To Next Page IconTo Next Page
To Next Page IconTo Next Page
To Previous Page IconTo Previous Page
To Previous Page IconTo Previous Page
Loading...
HT2000H_en_n.doc Page 166 of 167
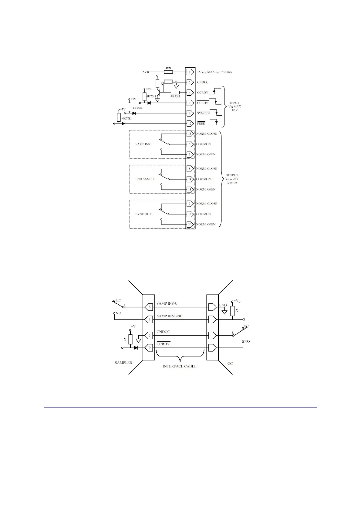
Figure 134: GC Connector
13.1.1 Typical GC interface
Figure 135: Common interface
13.2 RS232C interface (optional)
RS232C Connector, DB9 Connector
100k

Table of Contents

Related product manuals