EasyManua.ls Logo

Huawei iSitePower - B Electrical Conceptual Diagrams

Huawei iSitePower
179 pages
Print Icon
To Next Page IconTo Next Page
To Next Page IconTo Next Page
To Previous Page IconTo Previous Page
To Previous Page IconTo Previous Page
Loading...
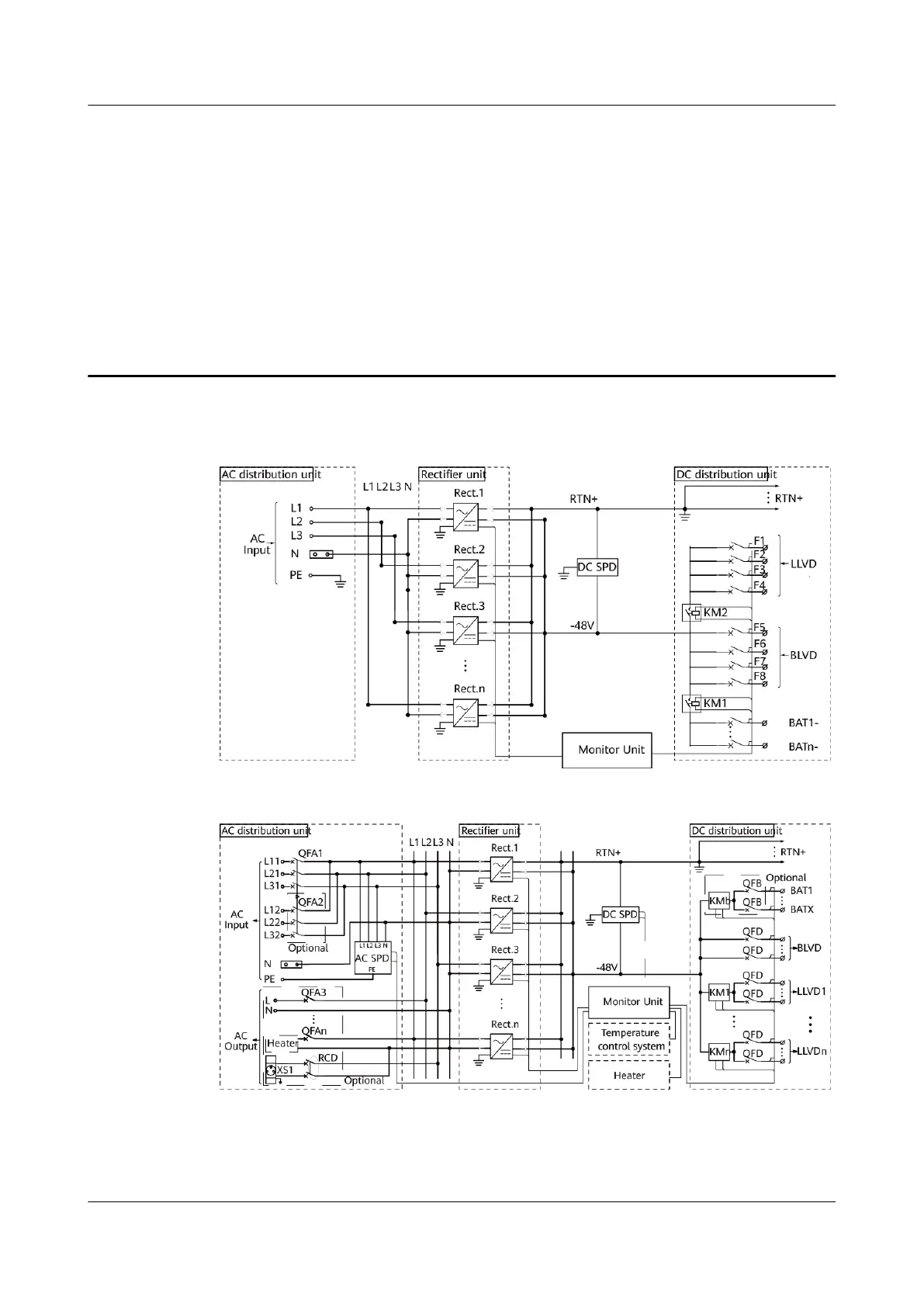
B Electrical Conceptual Diagrams
Figure B-1 ETP48400-C3B3 electrical conceptual diagram
Figure B-2 ETP48400-C3B1 electrical conceptual diagram
iSitePower Integrated Smart Site (ICC1000-A1-E1)
User Manual B Electrical Conceptual Diagrams
Issue 04 (2022-10-15) Copyright © Huawei Technologies Co., Ltd. 163

Table of Contents

Related product manuals