EasyManua.ls Logo

IBM 5100 - Page 31

IBM 5100
389 pages
Print Icon
To Next Page IconTo Next Page
To Next Page IconTo Next Page
To Previous Page IconTo Previous Page
To Previous Page IconTo Previous Page
Loading...
(
(
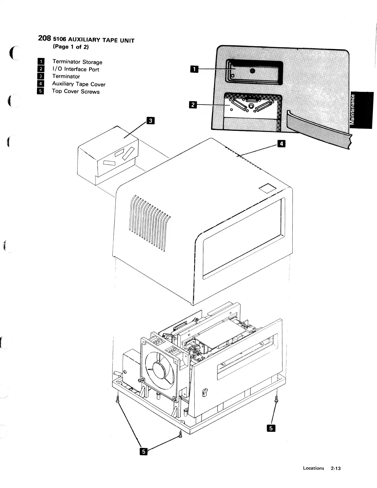
208
5106
AUXILIARY
TAPE
UNIT
(Page 1
of
2)
Terminator Storage
II
I/O
Interface Port
Terminator
..
Auxiliary Tape Cover
II
Top Cover Screws
II
Locations 2-13

Table of Contents

Other manuals for IBM 5100

Related product manuals