EasyManua.ls Logo

Nidec H300 - Page 211

Nidec H300
322 pages
Print Icon
To Next Page IconTo Next Page
To Next Page IconTo Next Page
To Previous Page IconTo Previous Page
To Previous Page IconTo Previous Page
Loading...
Safety
information
Product
information
Mechanical
installation
Electrical
installation
Getting
started
Basic
parameters
Running
the motor
Optimization
NV Media Card
Operation
Building
Automation
Advanced
parameters
Technical
data
Diagnostics
UL listing
information
HVAC Drive H300 211
Issue Number: 3
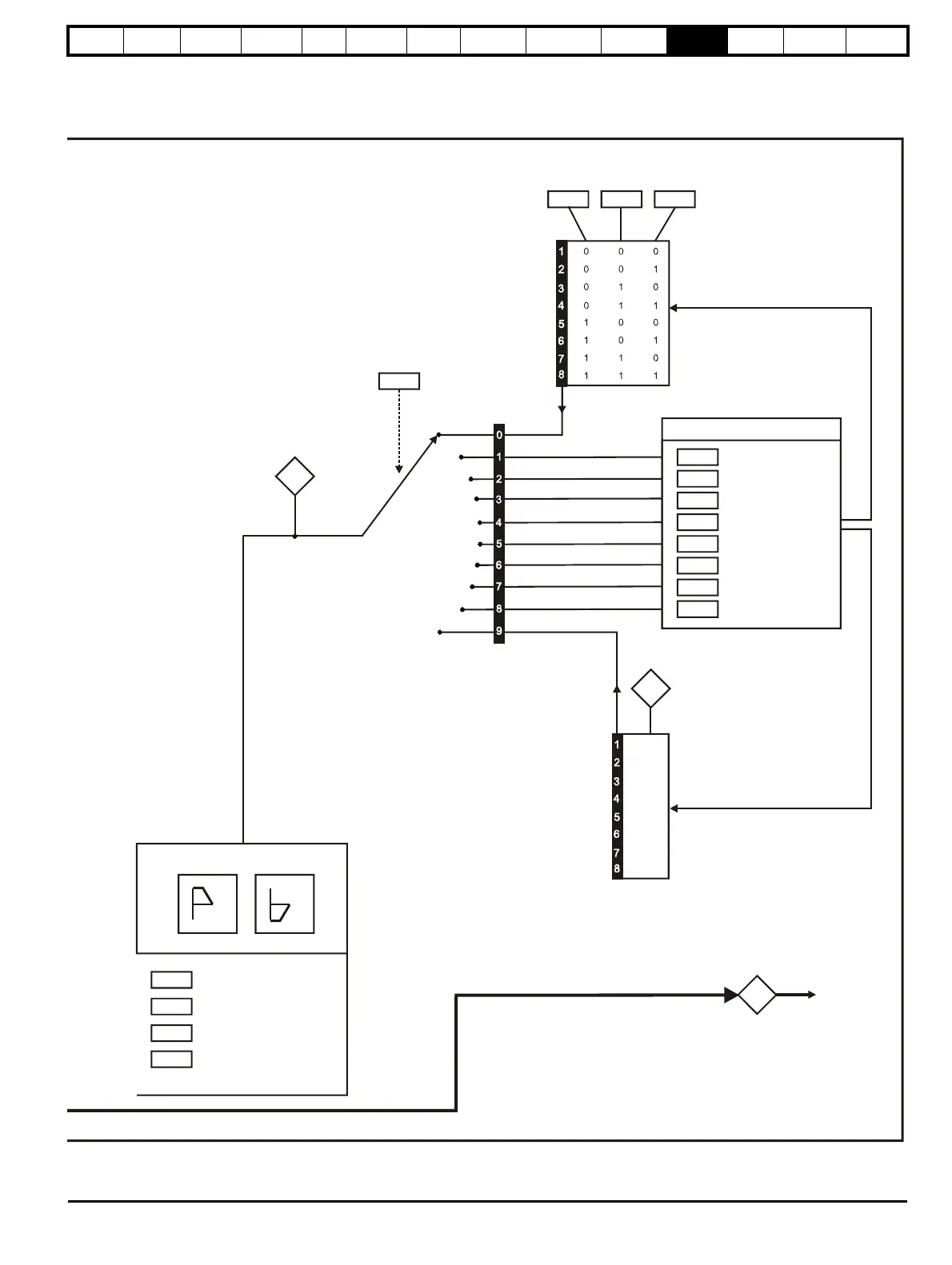
02.006
S-Ramp Enable**
02.007
Maximum Rate Of Change
02.040
S-Ramp Percentage
Ramp Control
N
t
N
t
Deceleration
Forward
Decel. rate
Reverse
Decel. rate
02.001
Post-Ramp
Reference
Deceleration Rate Select Bits
02.021
Deceleration Rate 1
02.022
Deceleration Rate 2
02.023
Deceleration Rate 3
02.024
Deceleration Rate 4
02.025
Deceleration Rate 5
02.026
Deceleration Rate 6
02.027
Deceleration Rate 7
02.028
Deceleration Rate 8
Deceleration Rates 1 ~ 8
3
4
1
2
7
8
5
6
02.037
01.050
Preset
Selected
Indicator
02.020
Deceleration
Rate Selector
02.036 02.035
02.031
Deceleration
Rate Selected
02.041
S-Ramp Set-up Mode

Table of Contents

Related product manuals