EasyManua.ls Logo

Olivetti PR2 plus - Exiting from the Configuration Menu

Olivetti PR2 plus
172 pages
Print Icon
To Next Page IconTo Next Page
To Next Page IconTo Next Page
To Previous Page IconTo Previous Page
To Previous Page IconTo Previous Page
Loading...
XZAC4219-05 Service Manual
4-5
5. Press the STATION1 key to save the new configuration.
6. IThe value for the parameter changed is saved and, at the
same time, the procedure exits from the «CONFIG.» menu.
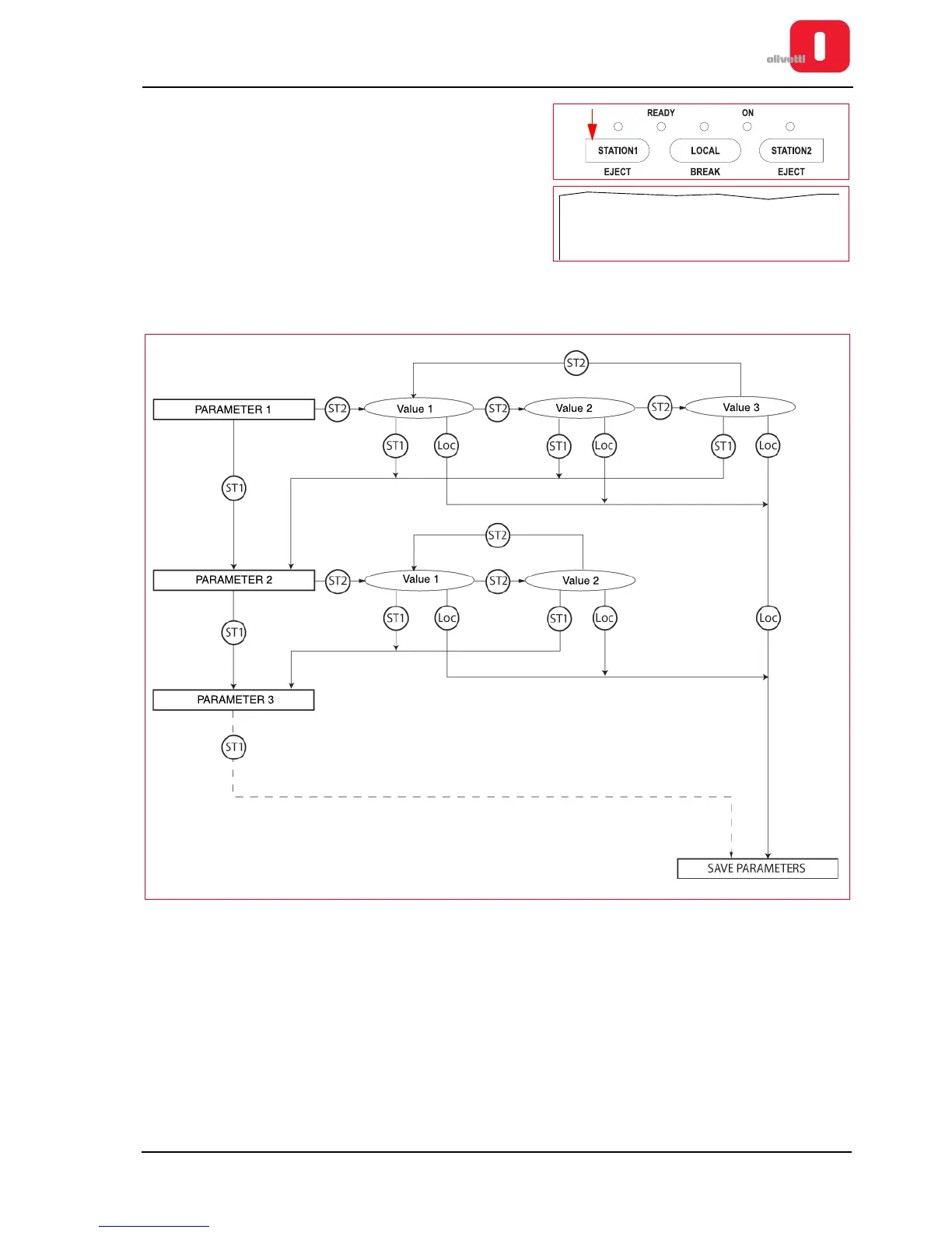
The following diagram summarises graphically the procedure for changing the values of the configuration
parameters.
Figure 4 - 1 Diagram indicating the procedure to follow to change the parameter values
Exiting from the Configuration menu
To exit from the Configuration menu, switch off the printer.
Switch on the printer again to eject the sheet.
PAPER WIDTH: FIRST LINE
BUZZER: Y
INTERFACE: USB COM1-USB PARALLEL
SAVE PARAMETERS: Y
MENU: CONFIG.

Table of Contents

Other manuals for Olivetti PR2 plus

Related product manuals