EasyManua.ls Logo

Samsung S3F84B8 - Page 210

Samsung S3F84B8
322 pages
Print Icon
To Next Page IconTo Next Page
To Next Page IconTo Next Page
To Previous Page IconTo Previous Page
To Previous Page IconTo Previous Page
Loading...
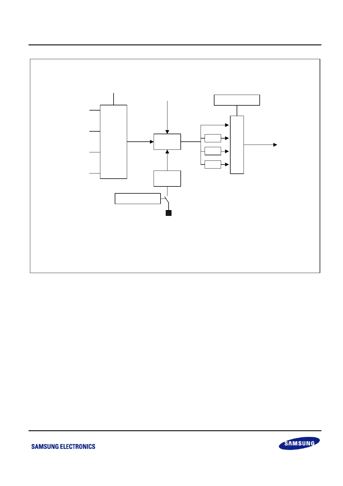
S3F84B8_UM_REV 1.00 7 CLOCK CIRCUIT
7-3
MUX
Selected
OSC
Noise
Filter
Oscillator
Wake-up
Oscillator
Stop
CLKCON.7
INT Pin
CLKCON.4-.3
1/2
1/16
M
U
X
Stop
Instruction
CPU Clock
Internal RC
Oscillator (8MHz)
Internal RC
Oscillator (0.5 MHz)
External
Crystal/Ceramic
Oscillator
NOTE: An external interrupt (with RC-delay noise filter ) can be used to release stop mode
and "wake-up" the main oscillator .
In the S3F84B8, the INT0-INT5 external interrupts are of this type .
Smart Option
(3F.1-0 in ROM)
1/8
External RC
Oscillator
Figure 7-4 System Clock Circuit Diagram

Table of Contents

Other manuals for Samsung S3F84B8

Related product manuals