EasyManua.ls Logo

Schweitzer Engineering Laboratories SEL-787 - Figure 5.18 Through-Fault Diagram

Schweitzer Engineering Laboratories SEL-787
564 pages
Print Icon
To Next Page IconTo Next Page
To Next Page IconTo Next Page
To Previous Page IconTo Previous Page
To Previous Page IconTo Previous Page
Loading...
5.15
Date Code 20081022 Instruction Manual SEL-787 Relay
Metering and Monitoring
Through-Fault Event Monitoring
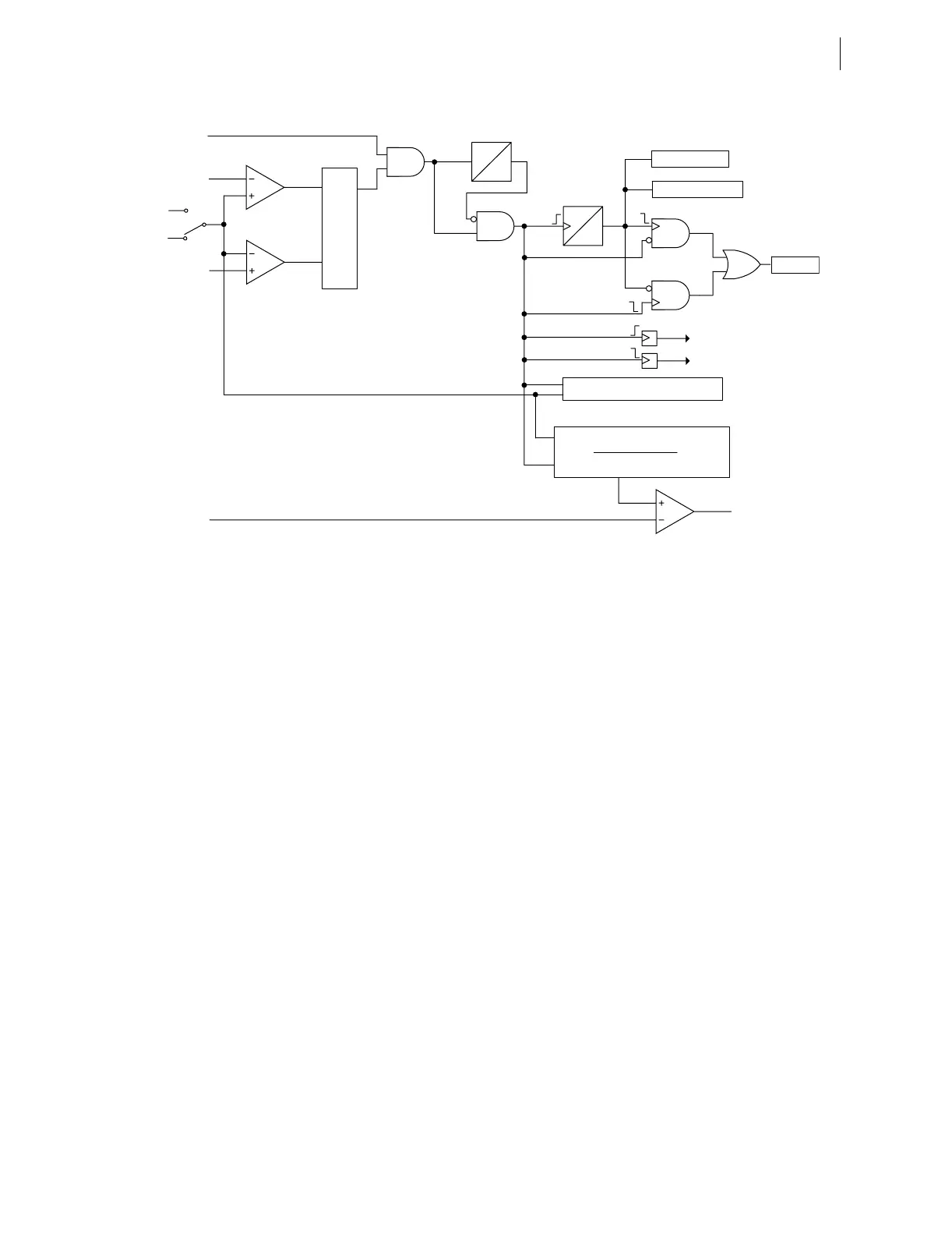
Figure 5.18 Through-Fault Diagram
The 10-cycle Timer avoids the inadvertent increment of the counters or
archiving of the data if the fault current momentarily drops below the lower
threshold level.
Setting threshold THFLTPU would usually be set to alarm for excessive,
cumulative transformer bank stress. When the integration exceeds the value as
specified by the THFLTPU setting, Relay Word bit TFLTALA asserts. Assign
output Relay Word bit TFLTALA to an output for annunciation or control
action such as to modify distribution feeder auto-reclosing (e.g., reduce the
number of reclosures from 3 to 2).
When the fault current falls below 4.5 times the full load level, the element
deasserts, and the following occurs:
The thermal element records the stop time; then calculates (and
records) the fault duration.
The thermal element records the maximum value of the fault
current during the fault.
The integration process stops.
The relay can store (archive) the data of 500 through faults in a first-in-first-
out (FIFO) buffer. The element automatically archives the data when one of
the following conditions is true:
The 10-cycle Timer deasserts and the enable signal is already
de-asserted.
The 10-cycle Timer is already de-asserted and the enable signal
de-asserts.
THFLTPU
ETHRFLT
(Setting)
4.75 • I
FULL LOAD
4.5 • I
FULL LOAD
IAW1
S1*
S
Q
R
0
1 min
1-minute
Timer
Enable
10-cycle
Timer
0
10
cyc
Total Counter
A-Phase Counter
Archive
Start Time
Stop Time
Maximum Current Calculation
TFLTALA
0.25
t(I
pu
) • FNOM
• 100%
1
2
Σ
IAW2
*S1 = 1 if THFLTD := 1
S1 = 2 if THFLTD := 2

Table of Contents

Related product manuals