EasyManua.ls Logo

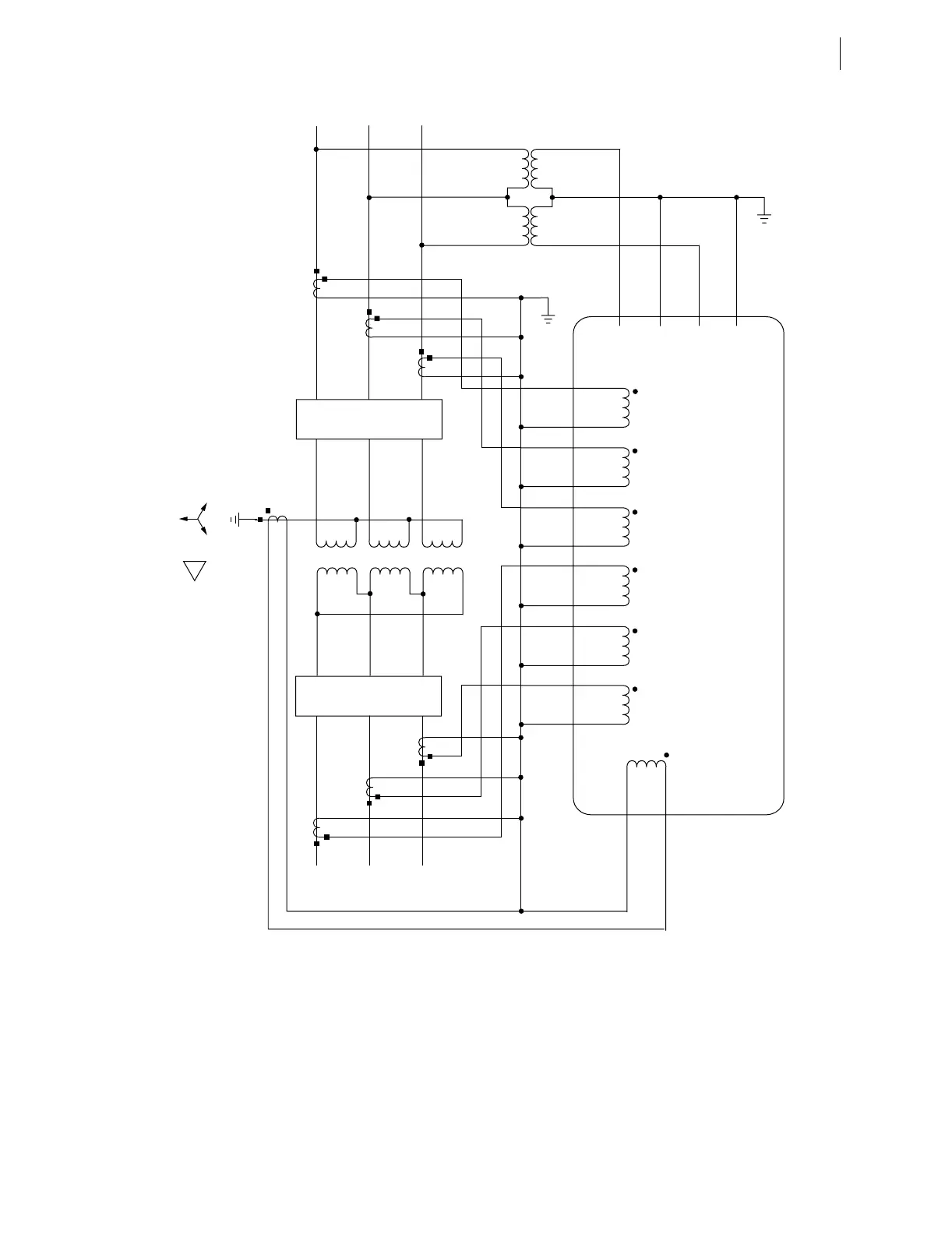
Schweitzer Engineering Laboratories SEL-787 - Figure 2.21 SEL-787 Provides Two-Winding Transformer Differential Protection with REF and Voltage-Based Protection

Schweitzer Engineering Laboratories SEL-787
564 pages
Print Icon
To Next Page IconTo Next Page
To Next Page IconTo Next Page
To Previous Page IconTo Previous Page
To Previous Page IconTo Previous Page
Loading...
2.23
Date Code 20081022 Instruction Manual SEL-787 Relay
Installation
AC/DC Control Connection Diagrams
Installing the optional 1 ACI/3 AVI voltage/current card in Slot E of the SEL-787 provides neutral current and REF
protection, as well as three-phase voltage inputs. These voltage inputs provide the relay with 20.0 to 70.0 Hz frequency
tracking, over-/undervoltage elements, frequency elements, power elements, and volts-per-hertz protection of the
transformer.
Refer to Figure 2.23, which illustrates tripping control of the two-power circuit breakers.
Figure 2.21 SEL-787 Provides Two-Winding Transformer Differential Protection With REF and Voltage-Based
Protection
VA VB VC VN
IAW1
IBW1
ICW1
IAW2
IBW2
ICW2
SEL-787 Relay
52-1
52-2
A B C
a b c
IN
A
B
C
a
b
c
200/5 A
138 kV
30 MVA
13.8 kV
2000/5 A
Note: The CT secondary circuit must be grounded in the relay

Table of Contents

Related product manuals