EasyManua.ls Logo

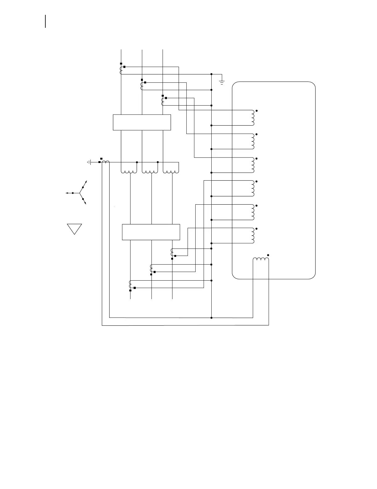
Schweitzer Engineering Laboratories SEL-787 - Figure 2.22 SEL-787 Provides Autotransformer Differential Protection, Including REF Protection

Schweitzer Engineering Laboratories SEL-787
564 pages
Print Icon
To Next Page IconTo Next Page
To Next Page IconTo Next Page
To Previous Page IconTo Previous Page
To Previous Page IconTo Previous Page
Loading...
2.24
SEL-787 Relay Instruction Manual Date Code 20081022
Installation
AC/DC Control Connection Diagrams
This figure shows an autotransformer application with REF protection applied through the optional 1 ACI current input
card in Slot E of the relay. In this application, the SEL-787 provides full differential protection, and uses the sum of the
high- and low-voltage winding currents to calculate the zero-sequence currents necessary for REF protection.
Refer to Figure 2.23, which illustrates tripping control of the two-power circuit breakers.
Figure 2.22 SEL-787 Provides Autotransformer Differential Protection, including REF Protection
IAW1
IBW1
ICW1
IAW2
IBW2
ICW2
SEL-787 Relay
52-1
52-2
A B C
a b c
IN
A
B
C
a
Delta
Tertiary
c
b
Note: The CT secondary circuit must be grounded in the relay cabinet.

Table of Contents

Related product manuals