EasyManua.ls Logo

Schweitzer Engineering SEL-351P - Page 233

Default Icon
674 pages
Print Icon
To Next Page IconTo Next Page
To Next Page IconTo Next Page
To Previous Page IconTo Previous Page
To Previous Page IconTo Previous Page
Loading...
Date Code 990430 Loss-of-Potential, Load Encroachment, and Directional Element Logic 4-11
SEL-351P Manual Técnico
See the beginning of following subsection Directional Control Settings for discussion of the
operation of level direction settings DIR1 through DIR4 when the directional control enable
setting E32 is set to E32 = N.
In some applications, level direction settings DIR1 through DIR4 are not flexible enough in
assigning the desired direction for certain overcurrent elements. Subsection Directional Control
Provided by Torque Control Settings at the end of this section describes how to avoid this
limitation for special cases.
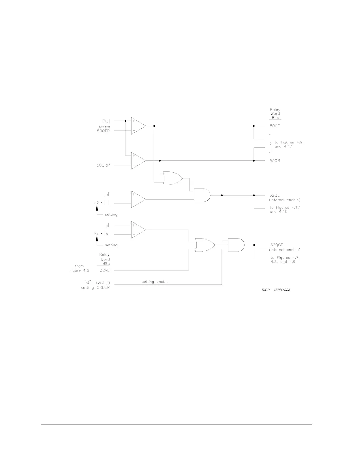
Figure SECTION 4: .5: Internal Enables (32QE and 32QGE) Logic for Negative-
Sequence Voltage-Polarized Directional Elements

Table of Contents