EasyManua.ls Logo

Schweitzer Engineering SEL-351P - Page 234

Default Icon
674 pages
Print Icon
To Next Page IconTo Next Page
To Next Page IconTo Next Page
To Previous Page IconTo Previous Page
To Previous Page IconTo Previous Page
Loading...
4-12 Loss-of-Potential, Load Encroachment, and Directional Element Logic Date Code 990430
SEL-351P Manual Técnico
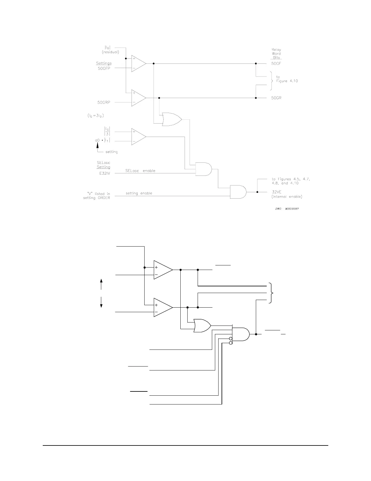
Figure SECTION 4: .6: Internal Enable (32VE) Logic for Zero-Sequence
Voltage-Polarized, Residual-Current Directional Element
50NR
50NF
|I
N
|
50GRP/10
50GFP/10
"V" in setting
ORDER
E32IV
32QGE
32VE
32NE
to Figure
4.11
Relay
Word
Bit
Relay
Word
Bits
DWG: M351R152
setting enable
Relay
Word
Bits
SEL
OGIC
Setting
settings
(internal
enable)
SEL
OGIC
enable
(see
Figure 4.6)
to Figure
4.8
Figure SECTION 4: .7: Internal Enable (32NE) for Zero-Sequence Voltage-
Polarized, Neutral-Current Directional Element

Table of Contents