EasyManua.ls Logo

Siemens 7SC80 - Setting Notes

Siemens 7SC80
782 pages
Print Icon
To Next Page IconTo Next Page
To Next Page IconTo Next Page
To Previous Page IconTo Previous Page
To Previous Page IconTo Previous Page
Loading...
[7sj6x_frequenzschutz-070906-he, 1, en_US]
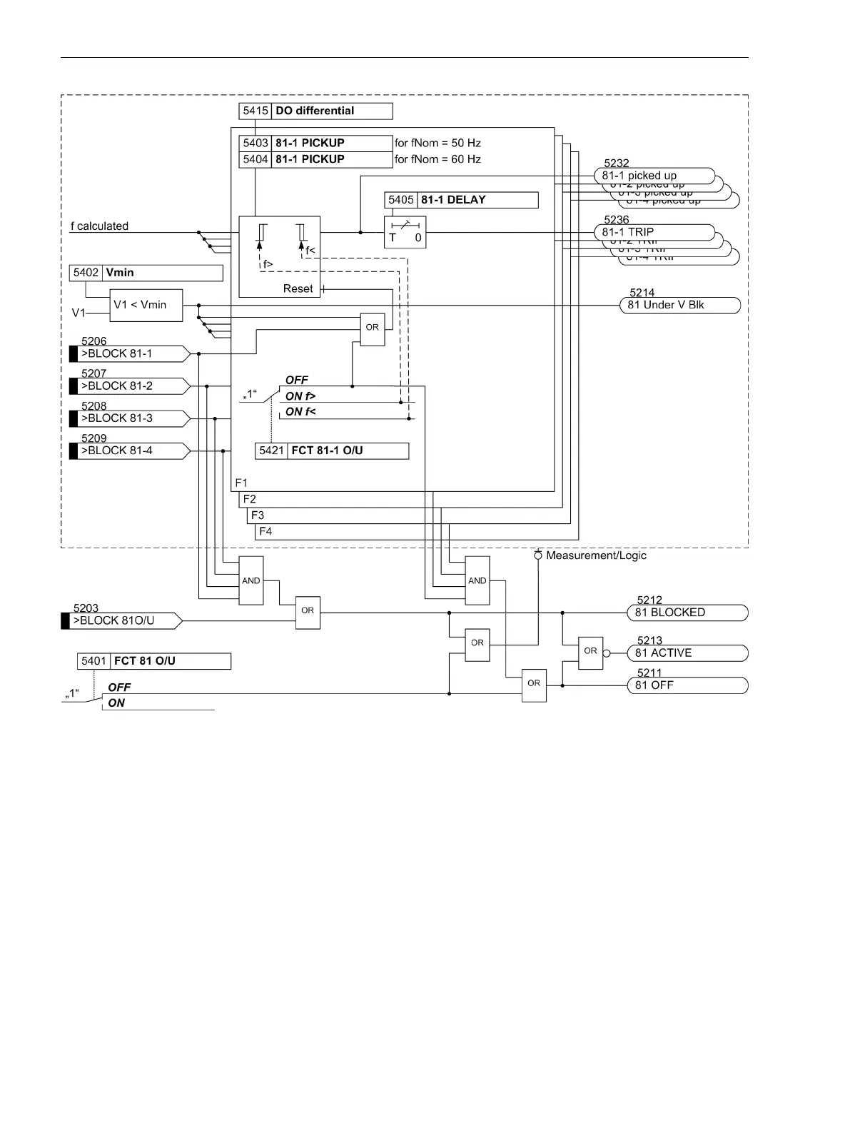
Figure 2-60
Logic diagram of the frequency protection
Setting Notes
General
Frequency protection is only in effect and accessible if address 154 81 O/U is set to Enabled during configu-
ration of protective functions. If the function is not required Disabled is set. The function can be turned ON
or OFF under address 5401 FCT 81 O/U.
By setting the parameters 5421 to 5424, the function of each of the elements 81-1 PICKUP to 81-4
PICKUP is set individually as overfrequency or underfrequency protection or set to OFF, if the element is not
required.
Minimum Voltage
Address 5402 Vmin is used to set the minimum voltage. Frequency protection is blocked as soon as the
minimum voltage is undershot.
2.10.2
Functions
2.10 Frequency Protection 81 O/U
216 SIPROTEC Compact, 7SC80, Manual
E50417-G1140-C486-A8, Edition 07.2017

Table of Contents