EasyManua.ls Logo

Siemens 7SC80 - Description

Siemens 7SC80
782 pages
Print Icon
To Next Page IconTo Next Page
To Next Page IconTo Next Page
To Previous Page IconTo Previous Page
To Previous Page IconTo Previous Page
Loading...
Prerequisites
A requirement for the use of trip circuit supervision is that the control voltage for the circuit breaker is at least
twice the voltage drop across the binary input (V
ct
> 2 · V
BImin
).
Since at least 19 V are needed for the binary input, the supervision can only be used with a system control
voltage of over 38 V.
Description
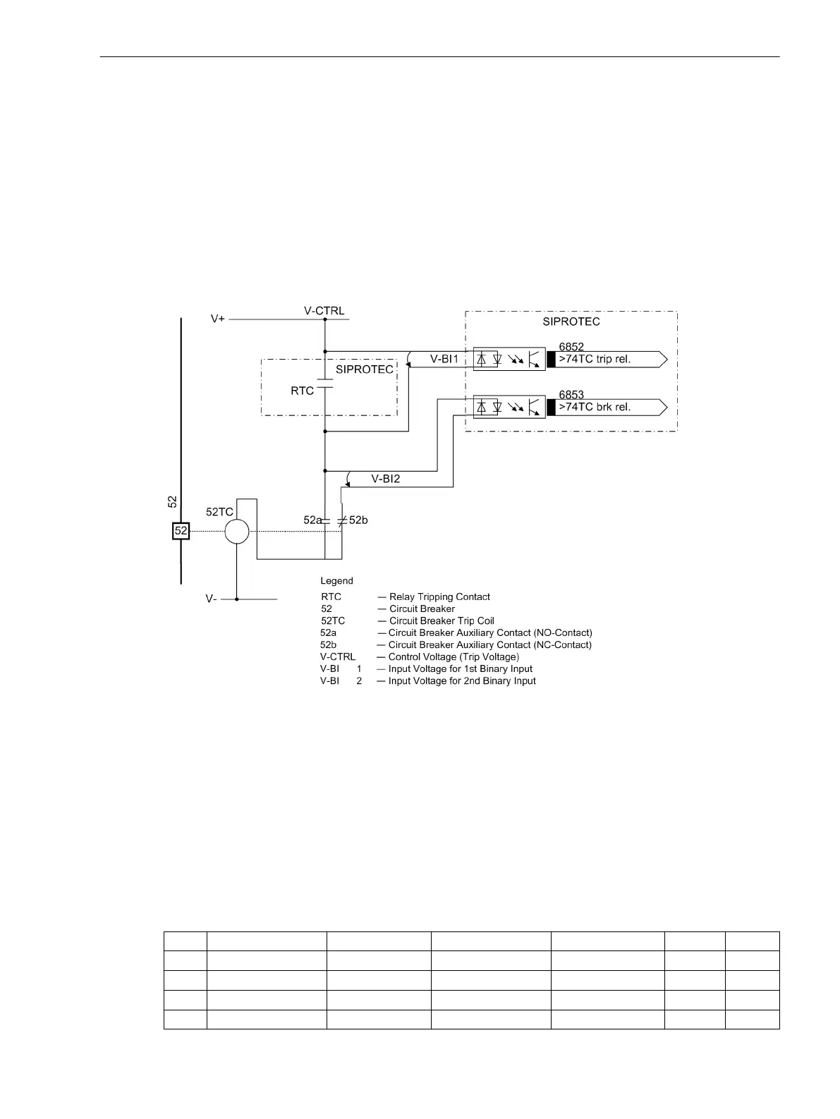
Supervision with Two Binary Inputs
When using two binary inputs, these are connected according to Figure 2-76, parallel to the associated trip
contact on one side, and parallel to the circuit breaker auxiliary contacts on the other.
[prinzip-ausloesekreisueberwachung-2-binein-150502-kn, 1, en_US]
Figure 2-76
Principle of the trip circuit supervision with two binary inputs
Supervision with two binary inputs not only detects interruptions in the trip circuit and loss of control voltage,
it also supervises the response of the circuit breaker using the position of the circuit breaker auxiliary contacts.
Depending on the conditions of the trip contact and the circuit breaker, the binary inputs are activated (logical
condition "H" in Table 2-15), or not activated (logical condition "L").
In healthy trip circuits the condition that both binary inputs are not actuated (”L") is only possible during a
short transition period (trip contact is closed but the circuit breaker has not yet opened). A continuous state of
this condition is only possible when the trip circuit has been interrupted, a short-circuit exists in the trip circuit,
a loss of battery voltage occurs, or malfunctions occur with the circuit breaker mechanism. Therefore, it is
used as supervision criterion.
Table 2-15
Condition table for binary inputs, depending on RTC and CB position
No. Trip contact Circuit breaker 52a Contact 52b Contact BI 1 BI 2
1 Open Closed Closed Open H L
2 Open Open Open Closed H H
3 Closed Closed Closed Open L L
4 Closed Open Open Closed L H
2.12.2.1
Functions
2.12 Monitoring Functions
SIPROTEC Compact, 7SC80, Manual 243
E50417-G1140-C486-A8, Edition 07.2017

Table of Contents

Related product manuals