EasyManua.ls Logo

Siemens 7SC80 - Sectionalizer Function; Functional Description

Siemens 7SC80
782 pages
Print Icon
To Next Page IconTo Next Page
To Next Page IconTo Next Page
To Previous Page IconTo Previous Page
To Previous Page IconTo Previous Page
Loading...
Sectionalizer Function
The sectionalizer can automatically isloate fault current sections of a distribution circuit once an upstream
breaker or recloser has interrupted the fault current. The sectionalizer function has no capacity to break fault
current itself, so it is usually needed as an alignment with recloser. When the recloser opens for the last time,
which has been preset to the sectionalizer, the sectionalizer opens and isolates the faulty section of line. This
permits the recloser to close and re-establish supplies to those areas free of faults. If the fault is temporary, the
sectionalizer counter is reset.
Functional Description
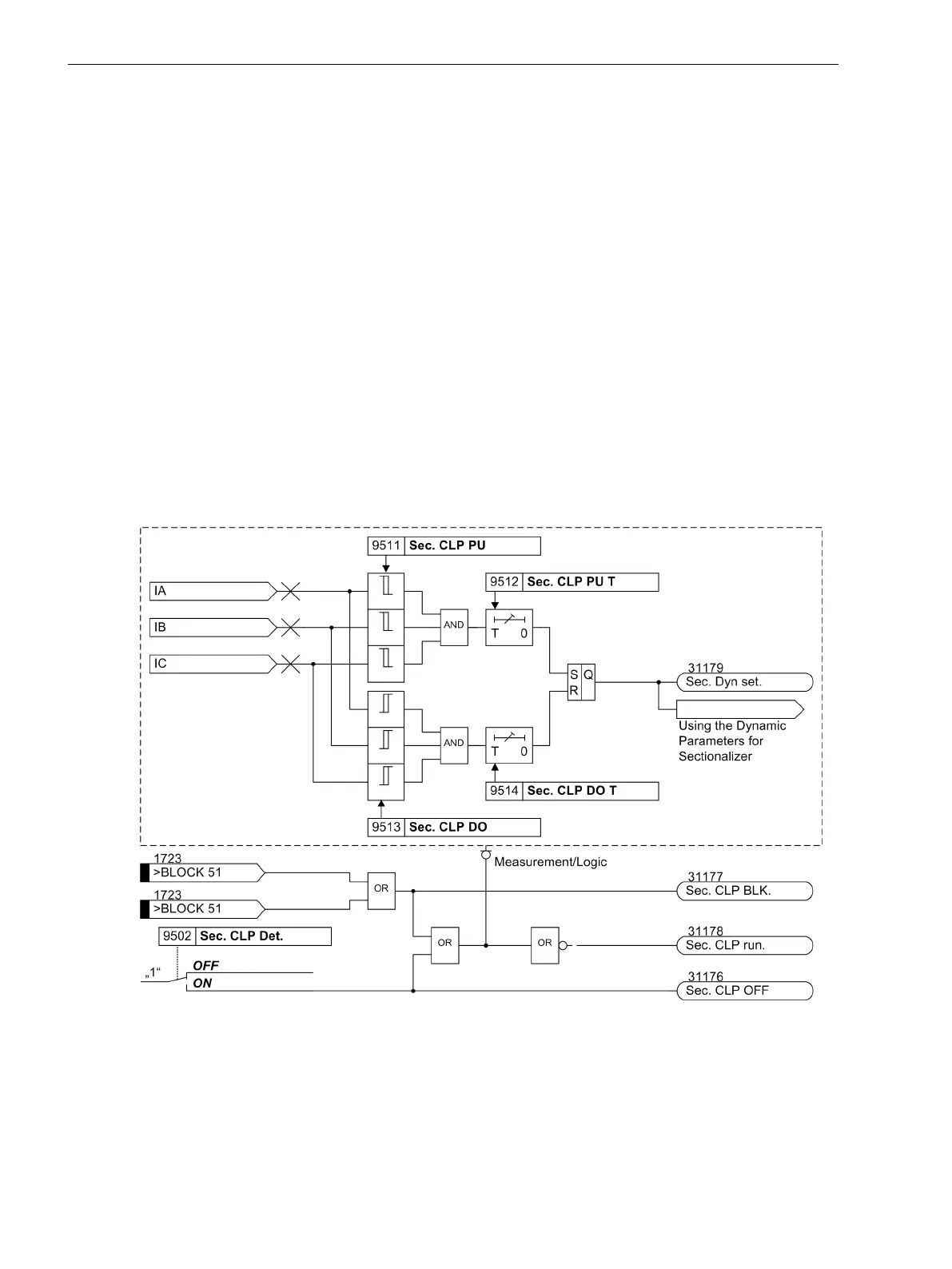
The Sectionalizer CLP Logic
The Sectionalizer has its own CLP logic. When the sectionalizer is available, you can choose whether the sectio-
nalizer CLP is available or not. The sectionalizer CLP is independent from the existing Cold Load Pickup logic.
With the Sectionalizer CLP function, the minimum phase detection and minimum neutral detection in sectio-
nalizer can be changed over dynamically.
When the Sectionalizer Cold-Load-Pickup is running, it can judge whether the sectionalizer works in cold load
condition or normal condition.
When
Sec. Dyn set.
is ON, it means the sectionalizer works in the cold load condition.
When
Sec. Dyn set.
is OFF, it means the sectionalizer works in the normal condition.
[Lo_Sectionalizer _CLP_logic, 1, en_US]
Figure 2-102
Logic Diagram of Sectionalizer CLP
The Sectionalizer Logic
The sectionalizer logic has two sets of parameters to judge whether the current is a fault current or not. When
the sectionalizer runs in the cold load condition, the parameters 9524 Min. Iph CLP and 9525 Min. Ignd
CLP are active. In normal condition, the parameters 9522 Min. Iph and 9523 Min. Ignd are active
instead. The following figure shows the sectionalizer logic in the normal condition.
2.15
2.15.1
Functions
2.15 Sectionalizer Function
304 SIPROTEC Compact, 7SC80, Manual
E50417-G1140-C486-A8, Edition 07.2017

Table of Contents