EasyManua.ls Logo

Siemens 7SC80 - Connection Examples for Current and Voltage Transformers

Siemens 7SC80
782 pages
Print Icon
To Next Page IconTo Next Page
To Next Page IconTo Next Page
To Previous Page IconTo Previous Page
To Previous Page IconTo Previous Page
Loading...
Connection Examples for Current and Voltage Transformers
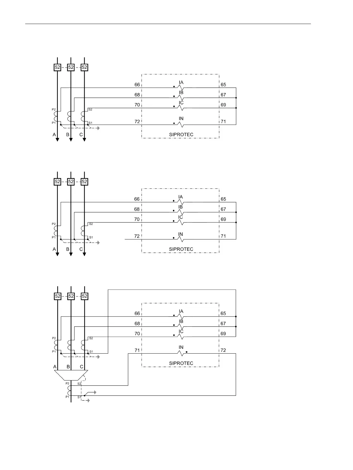
[anschl-3-stromwdl-sternpunktstrom-110220, 1, en_US]
Figure C-1 Current transformer connections to three current transformers and neutral point current
(ground current) (Holmgreen connection) – appropriate for all networks
[anschl-2-stromwdl-110220, 1, en_US]
Figure C-2 Current transformer connections to two current transformers – only for isolated or resonant-
grounded networks
[anschl-3-stromwdl-summenstromw-110220, 1, en_US]
Figure C-3 Current transformer connections to three current transformers, ground current from an addi-
tional summation current transformer – preferably for effectively or low-resistance grounded
networks
C.1
Connection Examples
C.1 Connection Examples for Current and Voltage Transformers
600 SIPROTEC Compact, 7SC80, Manual
E50417-G1140-C486-A8, Edition 07.2017

Table of Contents

Related product manuals