EasyManua.ls Logo

Siemens 7SC80 - Setting Notes

Siemens 7SC80
782 pages
Print Icon
To Next Page IconTo Next Page
To Next Page IconTo Next Page
To Previous Page IconTo Previous Page
To Previous Page IconTo Previous Page
Loading...
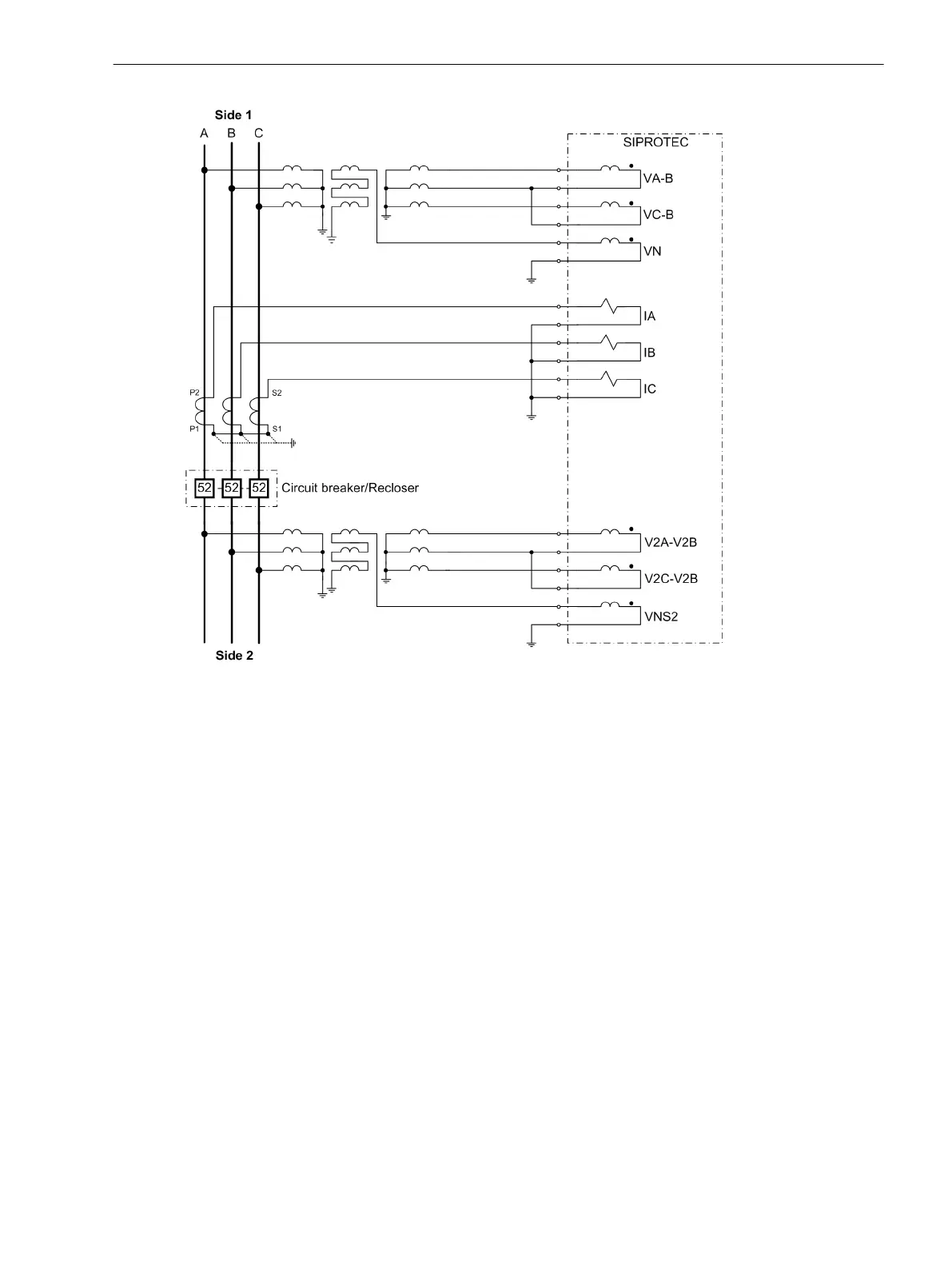
[dw_Ph-Ph_ConnectionType_60VTS_S2, 1, en_US]
Figure 2-148
Wiring for 3-phase voltage-transformer connection of side 2: V2A-2B, V2B-2C, VNS2
Setting Notes
Voltage-Transformer Monitoring
The voltage-transformer monitoring function of side 2 is only active if parameter 5530 60VTS S2 is set to ON
with NPS. If set to OFF, the function is deactivated.
The monitoring of 3-phase voltage-transformer faults always works with the variables of the positive sequence
system V1S2, Ι1.
The function can be blocked via the binary input indication 31344
>BLOCK 60VTS S2
.
1- or 2-phase voltage-transformer fault:
A failure of a voltage transformer is detected if the voltage exceeds the threshold value 5531 60VTS V2 S2
and the current falls below the threshold value 5532 60VTS I2 S2 for a period longer than 5536 60VTS
Delay S2. In this case, the indication 31343
60VTS Alarm S2
is issued.
3-phase voltage-transformer fault:
A 3-phase voltage-transformer fault is detected if the voltage of the positive sequence system V1 falls below
the threshold value 5535 60VTS V1 S2 and at the same time, the current of the positive sequence system I1
exceeds the threshold value 5533 60VTS I1 loadS2 but remains below the threshold value 5534 60VTS
I1 flt S2 fault.
If a 1-, 2-, or 3-phase voltage-transformer fault of side 2 is detected, the indication 31345
Fail VTS S2
is
issued.
2.30.4.2
Functions
2.30 Additional Applications with 6 Voltage Inputs
SIPROTEC Compact, 7SC80, Manual 445
E50417-G1140-C486-A8, Edition 07.2017

Table of Contents

Related product manuals