EasyManua.ls Logo

Siemens 7SC80 - Hmi; Varistor

Siemens 7SC80
782 pages
Print Icon
To Next Page IconTo Next Page
To Next Page IconTo Next Page
To Previous Page IconTo Previous Page
To Previous Page IconTo Previous Page
Loading...
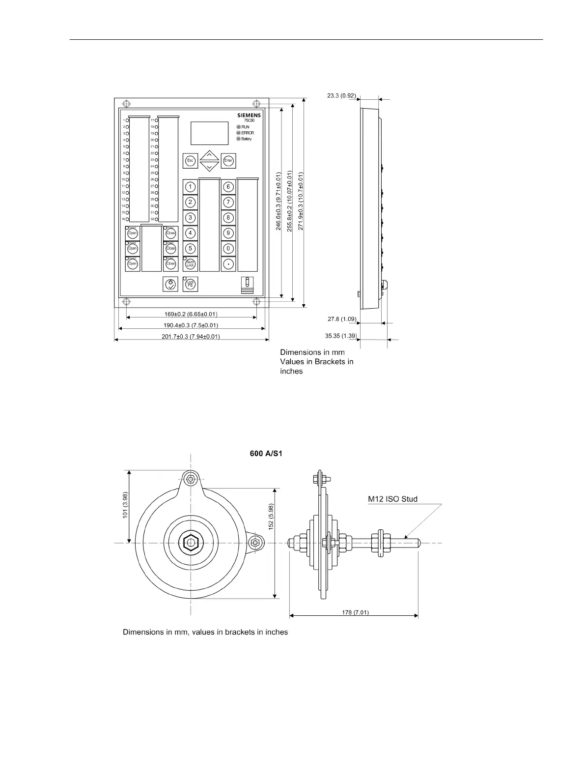
HMI
[7sc80-hmi-abmess-121110-new.vsd, 1, en_US]
Figure 4-18
Dimensional drawing of an 7SC80 HMI
Varistor
[varistor-20071105, 1, en_US]
Figure 4-19 Dimensional drawing of the varistor for voltage limiting in high-impedance differential protec-
tion
4.26.2
4.26.3
Technical Data
4.26 Dimensions
SIPROTEC Compact, 7SC80, Manual 581
E50417-G1140-C486-A8, Edition 07.2017

Table of Contents

Related product manuals