EasyManua.ls Logo

Siemens 7SC80 - Setting Notes

Siemens 7SC80
782 pages
Print Icon
To Next Page IconTo Next Page
To Next Page IconTo Next Page
To Previous Page IconTo Previous Page
To Previous Page IconTo Previous Page
Loading...
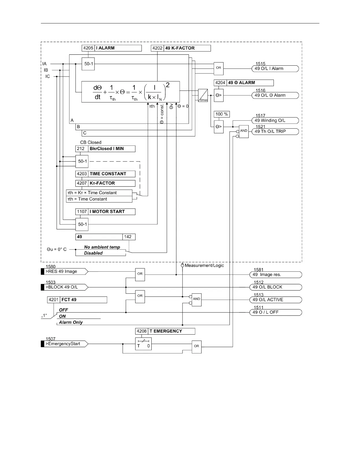
[7sj80_ueberlastschutz-061116, 1, en_US]
Figure 2-61
Logic diagram of the overload protection
Setting Notes
General
Overload protection is only effective and accessible if address 142 49 was set to No ambient temp. If the
function is not required, Disabled is set.
2.11.2
Functions
2.11 Thermal Overload Protection 49
SIPROTEC Compact, 7SC80, Manual 221
E50417-G1140-C486-A8, Edition 07.2017

Table of Contents