EasyManua.ls Logo

Siemens 7SC80 - Inrush-Current Detection

Siemens 7SC80
782 pages
Print Icon
To Next Page IconTo Next Page
To Next Page IconTo Next Page
To Previous Page IconTo Previous Page
To Previous Page IconTo Previous Page
Loading...
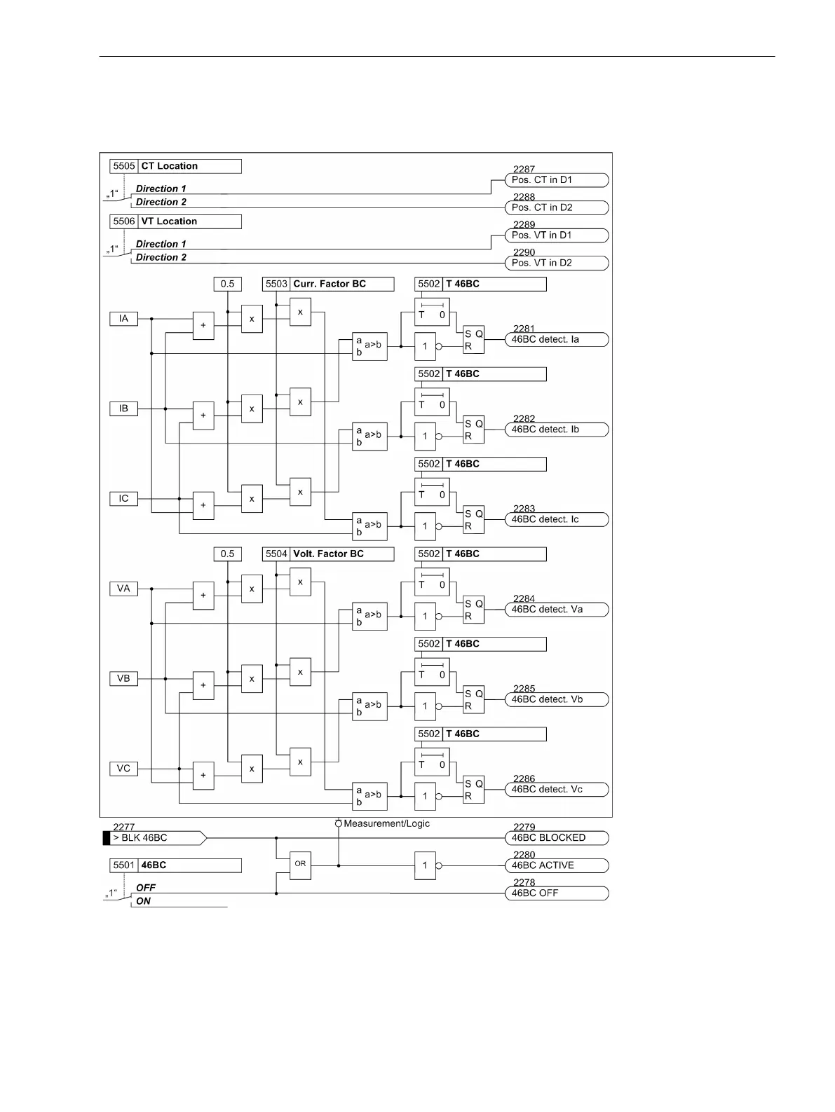
If the function detects a broken conductor, it generates a phase-specific indication, for example
46BC
detect. Ia
or
46BC detect. Va
. The indication can be sent after a delay time. The delay time can be set.
The following logic diagram shows the functionality of broken conductor detection.
[7sc80_leiterbrucherkenn-16012013, 1, en_US]
Figure 2-70
Logic of the Broken Conductor Detection for Current and Voltage Connections
Inrush-Current Detection
When using the 7SC80 multifunctional protection with control to protect a transformer feeder, for example,
large inrush currents must be expected when energizing the transformer. These inrush currents can be several
2.12.1.6
Functions
2.12 Monitoring Functions
SIPROTEC Compact, 7SC80, Manual 231
E50417-G1140-C486-A8, Edition 07.2017

Table of Contents

Related product manuals