EasyManua.ls Logo

Siemens 7SC80 - Page 601

Siemens 7SC80
782 pages
Print Icon
To Next Page IconTo Next Page
To Next Page IconTo Next Page
To Previous Page IconTo Previous Page
To Previous Page IconTo Previous Page
Loading...
Important: Grounding of the cable shield must be effected at the cable side
Note: The switchover of the current polarity (address 201) also reverses the polarity of the current input
IN!
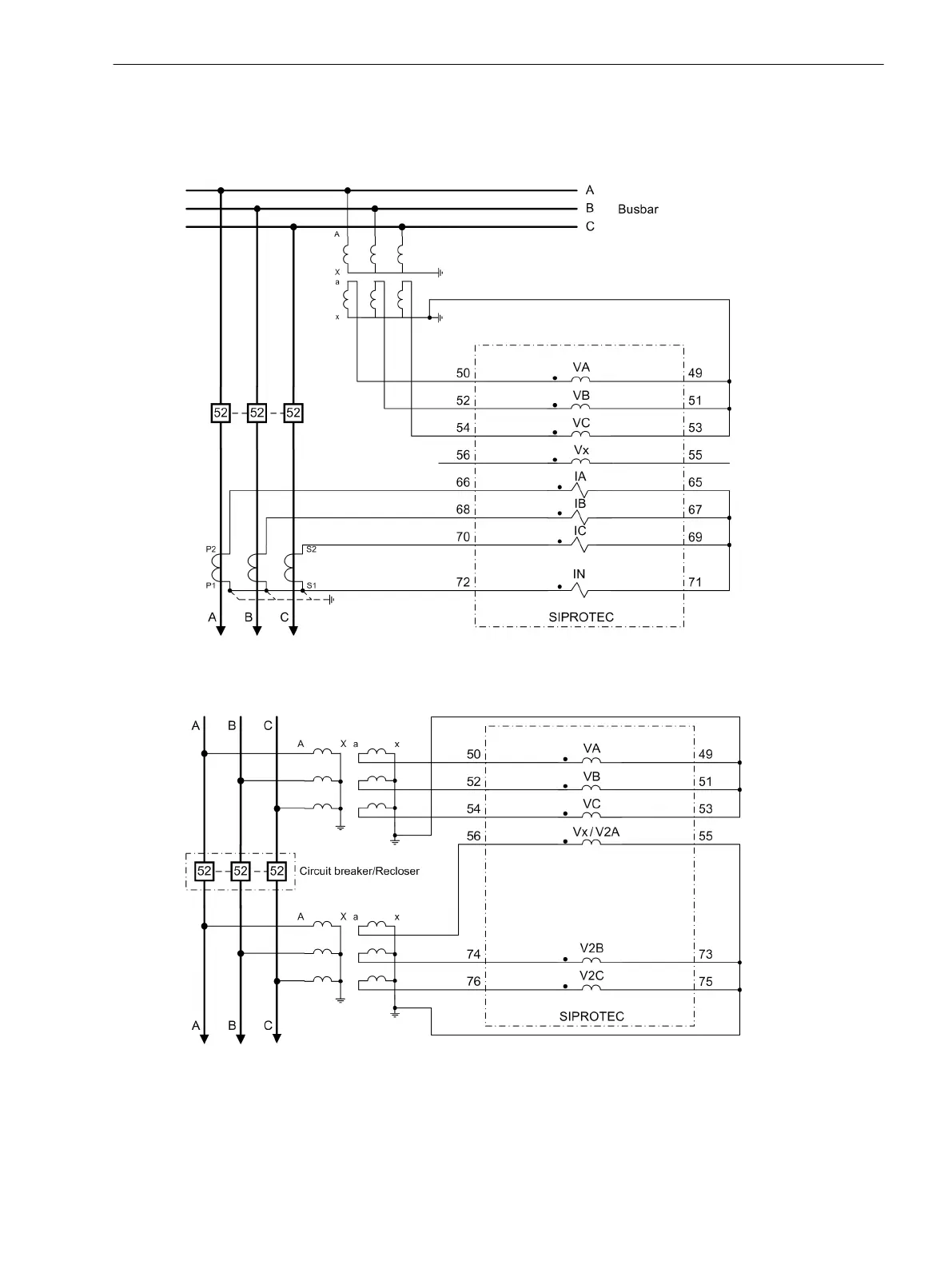
[anschl-3-stromwdl-3-spannungsw-110220, 1, en_US]
Figure C-4
Transformer connections to three current transformers and three voltage transformers (phase-
to-ground voltages), normal circuit layout – appropriate for all networks
[7SC803_conn-example_6 PT, 1, en_US]
Figure C-5 Transformer connections to three current transformers and six voltage transformers (phase-to-
ground voltages), normal circuit layout – appropriate for all networks
Connection Examples
C.1 Connection Examples for Current and Voltage Transformers
SIPROTEC Compact, 7SC80, Manual 601
E50417-G1140-C486-A8, Edition 07.2017

Table of Contents

Related product manuals