EasyManua.ls Logo

Siemens 7SC80 - Page 244

Siemens 7SC80
782 pages
Print Icon
To Next Page IconTo Next Page
To Next Page IconTo Next Page
To Previous Page IconTo Previous Page
To Previous Page IconTo Previous Page
Loading...
The conditions of the two binary inputs are checked periodically. A check takes place about every 600 ms. If
three consecutive conditional checks detect an abnormality (after 1.8 s), an annunciation is reported (see
Figure 2-77). The repeated measurements determine the delay of the alarm message and avoid that an alarm
is output during short transition periods. After the malfunction in the trip circuit is cleared, the fault annuncia-
tion is reset automatically after the same time period.
[7sj6x_ausloesekreis_2_binaerein-150502-kn, 1, en_US]
Figure 2-77 Logic diagram of the trip circuit supervision with two binary inputs
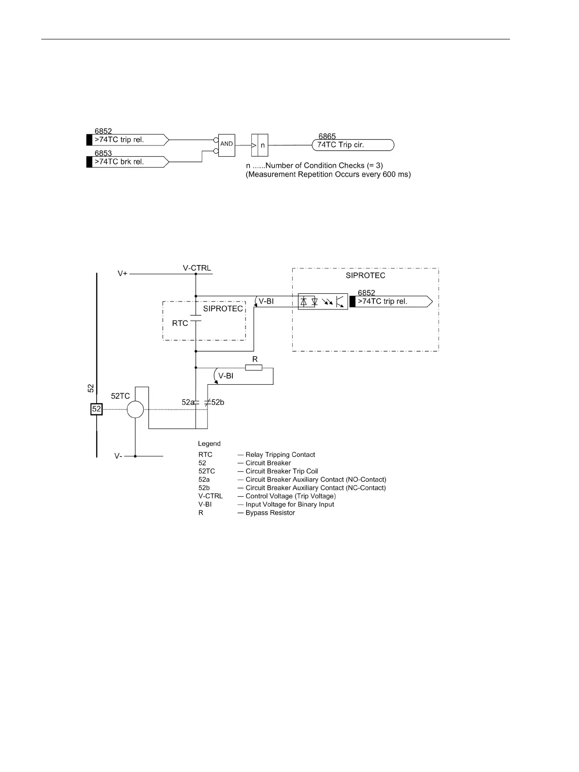
Supervision with One Binary Input
The binary input is connected according to the following figure in parallel with the associated trip contact of
the protection relay. The circuit breaker auxiliary contact is bridged with a bypass resistor R.
[prinzip-ausloesekreisueberwachung-1-binein-150502-kn, 1, en_US]
Figure 2-78
Trip circuit supervision with one binary input
During normal operation, the binary input is activated (logical condition "H") when the trip contact is open and
the trip circuit is intact, because the monitoring circuit is closed by either the 52a circuit breaker auxiliary
contact (if the circuit breaker is closed) or through the bypass resistor R by the 52b circuit breaker auxiliary
contact. Only as long as the trip contact is closed, the binary input is short circuited and thereby deactivated
(logical condition "L").
If the binary input is continuously deactivated during operation, this leads to the conclusion that there is an
interruption in the trip circuit or loss of control voltage.
As the trip circuit supervision does not operate during system faults, the closed trip contact does not lead to a
fault message. If, however, tripping contacts from other devices operate in parallel with the trip circuit, then
the fault message must be delayed (see also Figure 2-79). The delay time can be set via parameter 8202
Alarm Delay. A message is only released after expiry of this time. After clearance of the fault in the trip
circuit, the fault message is automatically reset.
Functions
2.12 Monitoring Functions
244 SIPROTEC Compact, 7SC80, Manual
E50417-G1140-C486-A8, Edition 07.2017

Table of Contents

Related product manuals