EasyManua.ls Logo

Siemens 7SC80 - Page 233

Siemens 7SC80
782 pages
Print Icon
To Next Page IconTo Next Page
To Next Page IconTo Next Page
To Previous Page IconTo Previous Page
To Previous Page IconTo Previous Page
Loading...
Logic
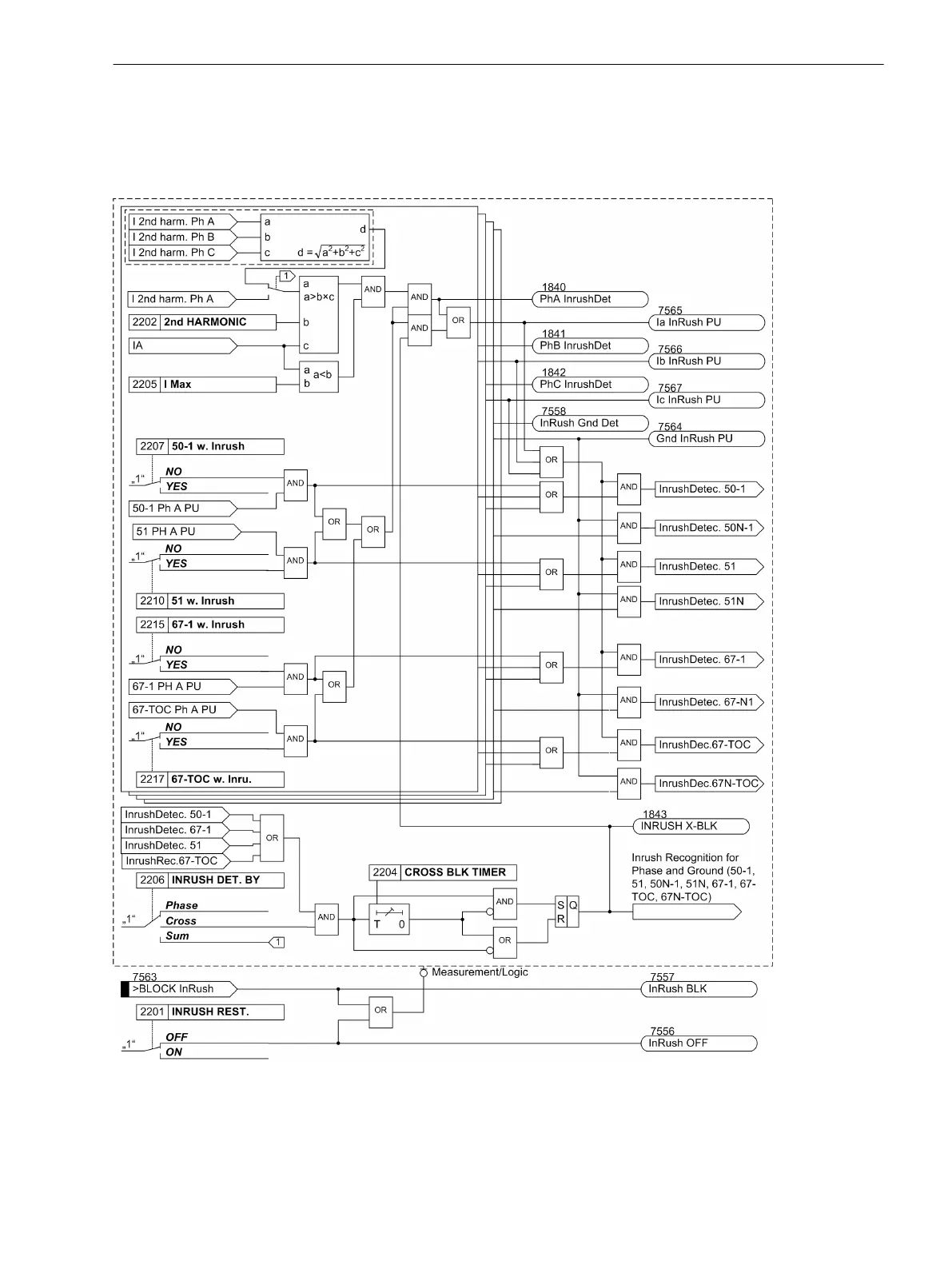
The following figure shows how the overcurrent protection elements are affected by the inrush-current detec-
tion. The function is depicted exemplary for the 50-1 element or 50N-1element. It applies analogously to the
other elements of the directional and the non-directional overcurrent protection.
[7sc80_einschaltstab-10012013, 1, en_US]
Figure 2-71
Logic Diagram of Inrush-Current Detection
Functions
2.12 Monitoring Functions
SIPROTEC Compact, 7SC80, Manual 233
E50417-G1140-C486-A8, Edition 07.2017

Table of Contents

Related product manuals