EasyManua.ls Logo

Siemens 7SC80 - Page 79

Siemens 7SC80
782 pages
Print Icon
To Next Page IconTo Next Page
To Next Page IconTo Next Page
To Previous Page IconTo Previous Page
To Previous Page IconTo Previous Page
Loading...
[lo_51-1, 1, en_US]
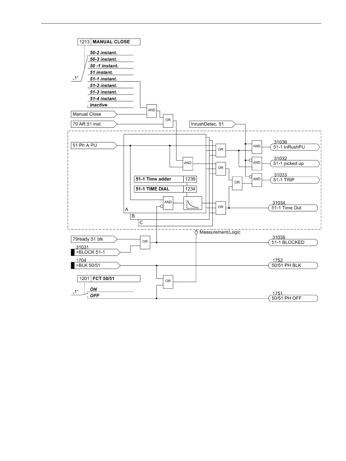
Figure 2-13
Logic Diagram of the 51-1 Inverse Time Overcurrent Protection for Phases
If parameter 1213 MANUAL CLOSE is set to 51-1 instant., 51-2 instant., 51-3 instant. or 51-4
instant., and manual close detection is used, a pickup causes instantaneous tripping even if the element is
blocked via a binary input.
The same applies to 79 AR 51-1 inst., 79 AR 51-2 inst., 79 AR 51-3 inst., 79 AR 51-4 inst..
Functions
2.2 Overcurrent Protection 50, 51, 50N, 51N
SIPROTEC Compact, 7SC80, Manual 79
E50417-G1140-C486-A8, Edition 07.2017

Table of Contents

Related product manuals