EasyManua.ls Logo

Textron JACOBSEN Eclipse 2 - Page 55

Textron JACOBSEN Eclipse 2
224 pages
Print Icon
To Next Page IconTo Next Page
To Next Page IconTo Next Page
To Previous Page IconTo Previous Page
To Previous Page IconTo Previous Page
Loading...
ELECTRICAL
4262930-Rev A 4-17
4
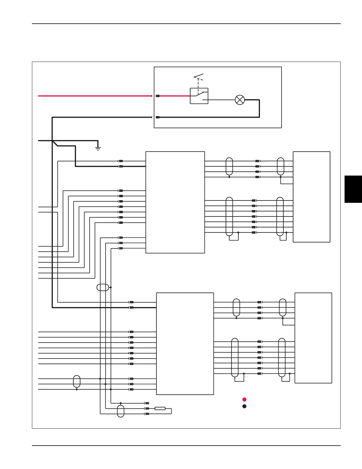
48-Volt Power Circuit Schematic—Battery Pack
Continued
Figure 4-7
U2
Traction
Motor
Controller
M2
Traction
Motor
Optional
Work Light
Kit
L1
Work
Light
SW4
Light
Switch
M1
Reel
Motor
U1
Reel
Motor
Controller
Red
J14
Blk
Shld
On
Off
Blk
GC2
Engine
Ground
Grn
Blu
Wht
Red
Brn
Grn
Blu
Wht
Red
Brn
Grn
Blu
Wht
Red
Brn
Grn
Blu
Wht
Red
Brn
Blk
Red
Red
Red
Blk
Yel
Blk
J7-1 J10-1
J10-2
J10-3
J11-3
J11-4
J11-5
J11-6
J11-2
J11-1
J6-1
J6-2
J6-3
J7-2
J6-4
J6-5
J6-6
J11-7
Org
Yel
Grn
Gry
Brn
Blu
Grn/Yel
Org
Yel
Grn
Gry
Brn
Blu
Motor
Case
Grn/Yel
J9-1 J12-1
J12-2
J12-3
J10-4
Blk
Wht
Red
Grn/Yel
Blk
Wht
Red
Grn/Yel
J12-4
J13-3
J13-4
J13-5
J13-6
J13-2
J13-1
J8-1
J8-2
J8-3
J9-2
J8-4
J8-5
J8-6
J13-7
Blk
J8-7
Yel
Grn
Blu
Vio
Red
Brn
Blk
Red
Splice F
Blk
Wht
Gry
Yel
J15-1
Red
Red
BlkJ15-2
Red
Blk
Blu BlkBlu
Red
Blk
Wht
Blk
Blk
Yel
J6-7
Yel
Grn
Blu
Vio
Red
Brn
Blk
Yel
Org
Yel
Grn
Gry
Brn
Blu
Grn/Yel
Org
Yel
Grn
Gry
Brn
Blu
Grn/Yel
Blk
Wht
Red
Grn/Yel
Blk
Wht
Red
Grn/Yel
120-Ohm
Resistor
Phase A
Phase B
Phase C
Shield
Phase A
Phase B
Phase C
Shield
Phase A
Phase B
Phase C
Shield
Phase A
Phase B
Phase C
Shield
+5V Output
HALL A
HALL B
HALL C
Signal Gnd
Temp
Shield
+5V Sensor Supply
HALL A
HALL B
HALL C
Signal Gnd
Temp
Shield
+5V Output
HALL A
HALL B
HALL C
Signal Gnd
Temp
Shield
+5V Sensor Supply
HALL A
HALL B
HALL C
Signal Gnd
Temp
Shield
Motor Tach
Motor Temp
Motor Speed
Motor Dir
Motor Enable
Motor Gnd
Motor Speed -
Motor Tach
Motor Temp
Motor Speed
Motor Dir
Motor Enable
Motor Gnd
Motor Speed -
+48V Input
Gnd
Red
Blk
Shld
Red
Blk
Shld
Shld
Blk
Red
C
B
A
+48V Input
Gnd
J8-8
J8-9
J8-10
CAN High
CAN Low
CAN Shield
J6-8
J6-9
J6-10
Org
Wht
Blk
Org
Wht
Blk
CAN High
CAN Low
CAN Shield
Motor
Case
Unswitched Power Circuit
Ground Circuit
TN4419

Table of Contents

Related product manuals