EasyManua.ls Logo

Textron JACOBSEN Eclipse 2 - Ignition Shutoff Circuit Schematic-Gen-Set

Textron JACOBSEN Eclipse 2
224 pages
Print Icon
To Next Page IconTo Next Page
To Next Page IconTo Next Page
To Previous Page IconTo Previous Page
To Previous Page IconTo Previous Page
Loading...
4-20 4262930-Rev A
ELECTRICAL
4
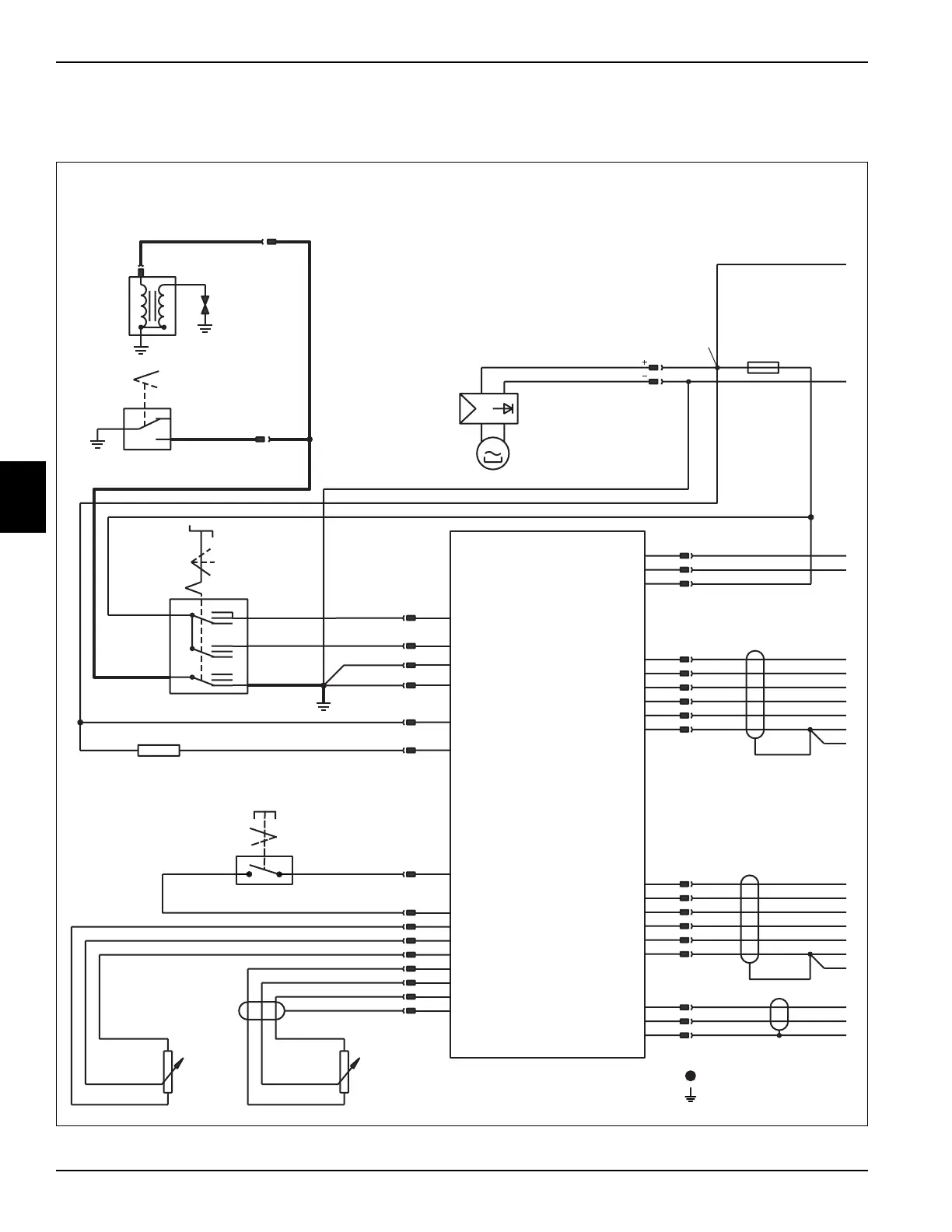
Ignition Shutoff Circuit Schematic—Gen-Set
See Figures 4-10 and 4-11.
Figure 4-10
Run
Start
Off
E
F
D
A
J2-25
J2-24
Red
Wht/Red
J2-15
J2-16
J2-29
B
Wht/Red
Red
Yel
T1
Ignition
Coil
SW3
Engine
On/Off
Switch
E1
Spark
Plug
F2
30A
Red/Wht
Blk
J24
Brn
J22
Blk
Blk
Blk
Blk
Splice G
GC1
Splice B
Blk
RedRed
Blk BlkRed
J2-13
G
U
Red/Wht
Splice ARed/Wht
Red/Blu
Red
J1-3
RedJ1-1
Red/Blu
J1-2
J2-14Yel
Off
On
Blk Blk
Red Red/Yel Red Red/Yel
Grn
J2-21
Blu
J2-9
Wht
J2-8
Blk Splice C
Splice EJ2-10
Red
J2-12
Brn
J2-17
RedJ2-1
BlkJ2-2
ShldJ2-3
J2-33
J2-35
J2-34
J2-31
J2-32
J2-30
Red/Blu
Grn/Blu
Blk/Blu
Shld
Red/Blu
Grn/Blu
Blk/Blu
Red/Grn
Grn
Blk/Grn
Red/Grn
Grn
Blk/Grn
J2-27
Grn
J2-5
Blu
J2-20
Wht
J2-19
Blk
J2-4
Red
J2-11
Brn
Grn
Blu
Wht
Red
Brn
Grn
Blu
Wht
Red
Brn
Red
Blk
Red
Red
Blk
Yel
Blk
J2-6
Yel
Red
Blk
Shld
Blk
J2-26
SW2
Key
Switch
U3
1kW
Generator
R3
5-Ohm
Resistor
U5
Main
Control
Unit
(MCU)
R2
Bail
Potentiometer
R1
Throttle
Potentiometer
Red/Wht
Key-Ignition
Key-Start
MCU Gnd
Resistor Gnd
Resistor +Ref
Resistor -Ref
Mow Enable Input
CAN High
CAN Low
CAN Shield
Reel Motor Tach
Reel Motor Temp
Reel Motor Speed
Reel Motor Dir
Reel Motor Enable
Reel Motor Gnd
Traction Motor Tach
Traction Motor Temp
Traction Motor Speed
Traction Motor Dir
Traction Motor Enable
Traction Motor Gnd
+48V Traction Motor
+48V Reel Motor
+48V Input
+15V Output
Bail Pot +5V
Bail Pot Wiper
Bail Pot –
Throttle Pot +5V
Throttle Pot Wiper
Throttle Pot –
Throttle Pot Shield
3
1
2
3
1
2
J23
J23
Ignition Shutoff Circuit
Ground Circuit
Splice D
23
SW1
Mow
Switch
On
Off
TN4423

Table of Contents

Related product manuals