EasyManua.ls Logo

Textron JACOBSEN Eclipse 2 - Switched Power Circuit Schematic

Textron JACOBSEN Eclipse 2
224 pages
Print Icon
To Next Page IconTo Next Page
To Next Page IconTo Next Page
To Previous Page IconTo Previous Page
To Previous Page IconTo Previous Page
Loading...
4-24 4262930-Rev A
ELECTRICAL
4
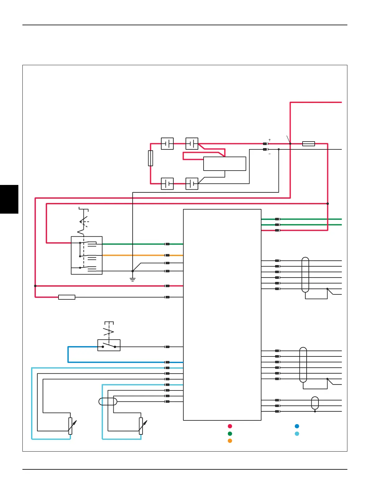
Switched Power Circuit Schematic
See Figures 4-12 and 4-13.
Figure 4-12
Unswitched Power Circuit 15V Supply Circuit
Switched Power Circuit 5V Supply Circuit
P
N
Key
B1B2
F1
50A
B3B4
U4
Battery Gauge
Blk
Red
J23
J23
Battery Pack
Run
Start
Off
E
F
D
A
J2-25
J2-24
Red
Wht/Red
J2-15
J2-16
J2-29
B
Wht/Red
Red
Yel
F2
30A
Red/Wht
Blk
Splice G
GC1
Splice B
Blk
RedRed
Blk BlkRed
J2-13Red/Wht
Splice ARed/Wht
Red/Blu
Red
J1-3
RedJ1-1
Red/Blu
J1-2
J2-14Yel
Blk
Red/Yel Red Red/Yel
Grn
J2-21
Blu
J2-9
Wht
J2-8
Blk Splice C
Splice EJ2-10
Red
J2-12
Brn
J2-17
RedJ2-1
BlkJ2-2
ShldJ2-3
J2-33
J2-35
J2-34
J2-31
J2-32
J2-30
Red/Blu
Grn/Blu
Blk/Blu
Shld
Red/Blu
Grn/Blu
Blk/Blu
Red/Grn
Grn
Blk/Grn
Red/Grn
Grn
Blk/Grn
J2-27
Grn
J2-5
Blu
J2-20
Wht
J2-19
Blk
J2-4
Red
J2-11
Brn
Grn
Blu
Wht
Red
Brn
Grn
Blu
Wht
Red
Brn
Red
Blk
Red
Red
Blk
Yel
Blk
J2-6
Yel
Red
Blk
Shld
Blk
J2-26
SW2
Key
Switch
R3
5-Ohm
Resistor
U5
Main
Control
Unit
(MCU)
R2
Bail
Potentiometer
R1
Throttle
Potentiometer
Red/Wht
Key-Ignition
Key-Start
MCU Gnd
Resistor Gnd
Resistor +Ref
Resistor -Ref
Mow Enable Input
CAN High
CAN Low
CAN Shield
Reel Motor Tach
Reel Motor Temp
Reel Motor Speed
Reel Motor Dir
Reel Motor Enable
Reel Motor Gnd
Traction Motor Tach
Traction Motor Temp
Traction Motor Speed
Traction Motor Dir
Traction Motor Enable
Traction Motor Gnd
+48V Traction Motor
+48V Reel Motor
+48V Input
+15V Output
Bail Pot +5V
Bail Pot Wiper
Bail Pot –
Throttle Pot +5V
Throttle Pot Wiper
Throttle Pot –
Throttle Pot Shield
3
1
2
3
1
2
Splice D
23
SW1
Mow
Switch
On
Off
Start Circuit
TN4426

Table of Contents

Related product manuals