EasyManua.ls Logo

TOHATSU BFT75A - Page 38

TOHATSU BFT75A
609 pages
Print Icon
To Next Page IconTo Next Page
To Next Page IconTo Next Page
To Previous Page IconTo Previous Page
To Previous Page IconTo Previous Page
Loading...
2-19
dummyheaddummyhead
SERVICE INFORMATION
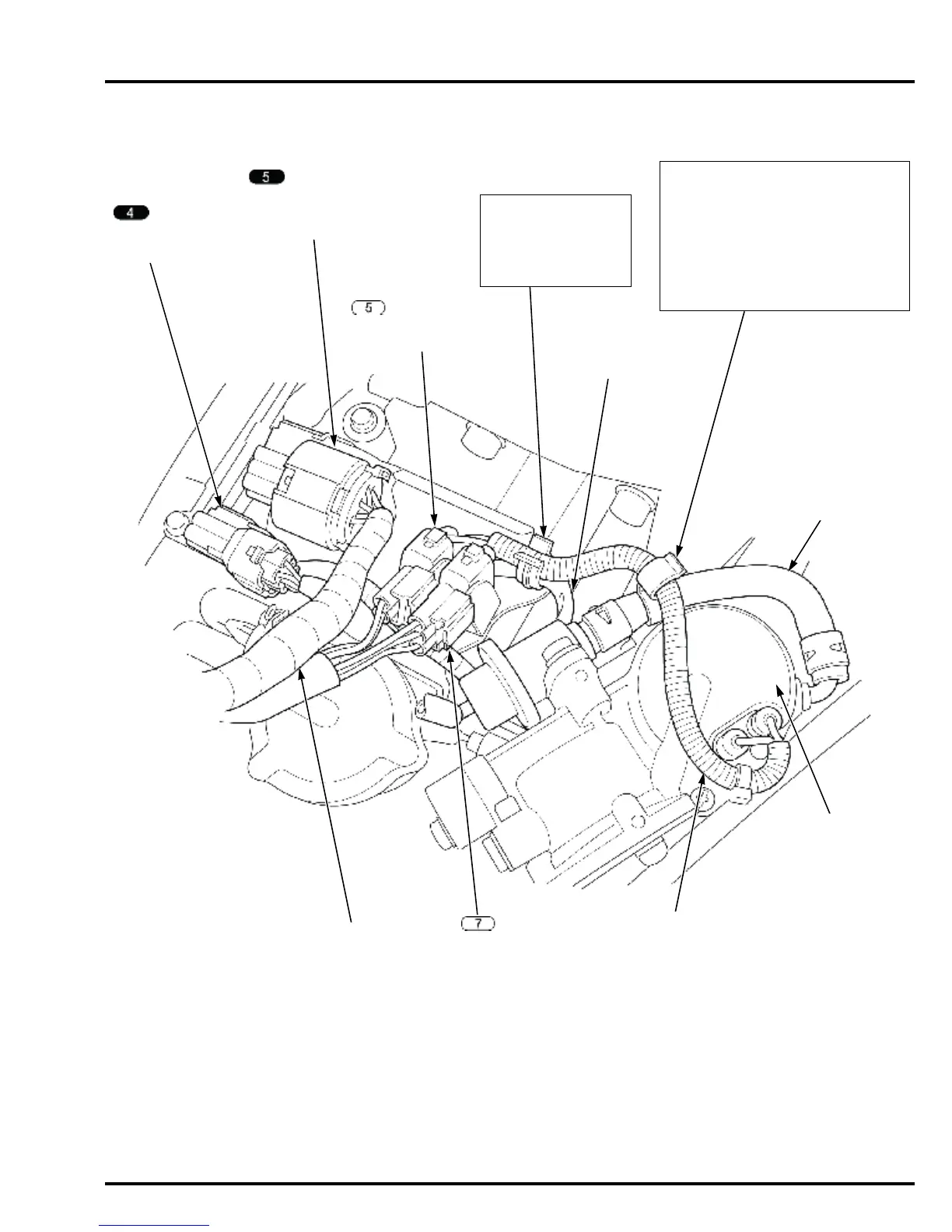
• Install the pump harness into the
upper side of the clamp, and set the
clamp so that the opening is facing
the crankcase side.
• Install the pressure regulator return
hose into the lower side of the clamp,
and set the clamp so the opening is
facing the crankcase side.
REMOTE CONTROL CABLE
or TILLER HANDLE 14P
CONNECTOR
INDICATOR LIGHT
6P CONNECTOR
FUEL PUMP (HIGH)
2P CONNECTOR
WIRE CLAMP
POWER TILT RELAY 3P
CONNECTOR WIRE
PRESSURE
REGULATOR
RETURN HOSE
PUMP
HARNESS
PUMP CASE
POWER TILT RELAY
3P CONNECTOR
MAIN
HARNESS
(Except LHGX type)
Set the pump harness
above the power tilt
relay 3P connector
wire (Except LHGX
type).
WIRE CLAMPER

Table of Contents

Related product manuals