EasyManua.ls Logo

TOHATSU BFT75A - Page 40

TOHATSU BFT75A
609 pages
Print Icon
To Next Page IconTo Next Page
To Next Page IconTo Next Page
To Previous Page IconTo Previous Page
To Previous Page IconTo Previous Page
Loading...
2-21
dummyheaddummyhead
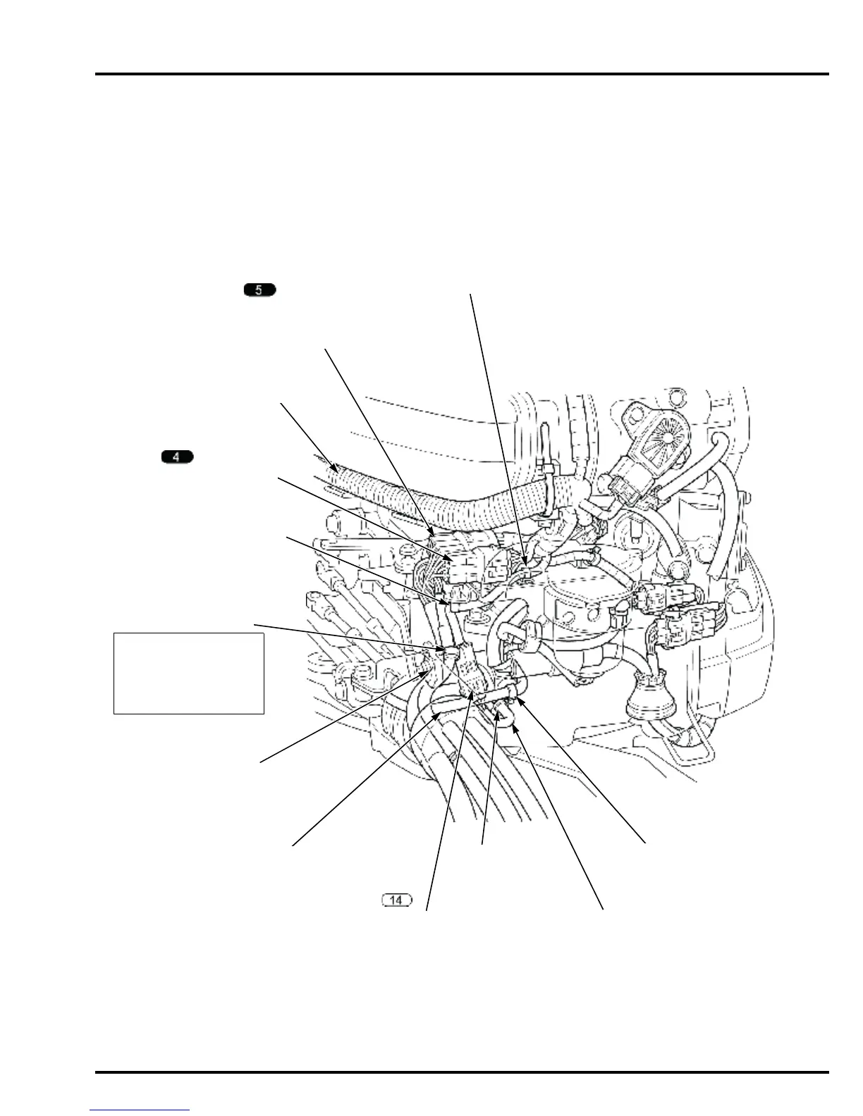
SERVICE INFORMATION
Clamp the remote control
cable harness or tiller
handle cable harness,
and indicator light
harness.
NEUTRAL SWITCH 2P
CONNECTOR
NEUTRAL SWITCH
WIRE
MAIN HARNESS
FUSE CABLE 1P
CONNECTOR WIRE
HARNESS
BAND CLIP
REMOTE CONTROL CABLE
or TILLER HANDLE 14P
CONNECTOR
INDICATOR LIGHT
6P CONNECTOR
HARNESS BAND CLIP
CLIP A
HARNESS BAND CLIP
NEUTRAL SWITCH
HARNESS
BAND CLIP
(Except LHGX type)
(Except LHGX type)

Table of Contents

Related product manuals