EasyManua.ls Logo

WinGD X72 - Page 115

WinGD X72
514 pages
Print Icon
To Next Page IconTo Next Page
To Next Page IconTo Next Page
To Previous Page IconTo Previous Page
To Previous Page IconTo Previous Page
Loading...
Operation
05151/A1
Winterthur Gas & Diesel Ltd.
3/ 7
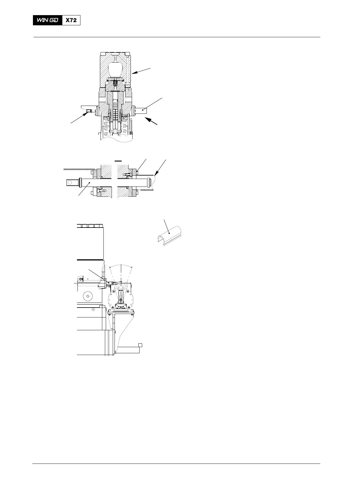
2.3.1 One Actuator is Defective
1) Do a check of the control signals from
the ECS and the electrical cables. If
necessary, replace the electrical
cables.
2) Make sure that the toothed rack (3)
moves freely (see Fig. 1).
3) Move the toothed rack (3) to the 0%
fuel position.
4) Install two distance pieces (6, tool
94555) to the toothed rack (3) on the
fuel pump (1) that has the defective
actuator.
5) Replace the defective actuator as soon
as possible (see the Maintenance
Manual, 58011 Regulating Linkage).
6) If different power outputs are
necessary, you can lock the actuator in
other positions (50% fuel, or 100% fuel)
see step 7 to step 9.
7) Remove the six screws from the cover
(2) then remove the cover.
8) For 50% fuel, do steps a) and step b):
a) Move the toothed rack (3) to the
50% fuel position.
b) Install one distance piece (6) on
each end of the toothed rack (3).
9) For 100% fuel, do step a) and step b):
a) Move the toothed rack to the
100% fuel position.
b) Install two distance pieces (6) on
the toothed rack.
Note: Fuel pressure control through the
PCV must be prevented if
possible.
Fig. 1: Fuel Pump Actuator
2014
Faults in High Pressure Fuel System
1
2
I
WCH00832
3
4
I
5
3
WCH00832
6
WCH02318
100%
50%
FUEL
0%
WCH02318
3
Actuator shown in
50% fuel position
94555

Table of Contents

Other manuals for WinGD X72

Related product manuals