EasyManua.ls Logo

WinGD X72 - Page 343

WinGD X72
514 pages
Print Icon
To Next Page IconTo Next Page
To Next Page IconTo Next Page
To Previous Page IconTo Previous Page
To Previous Page IconTo Previous Page
Loading...
Operation
40039/A1
Winterthur Gas & Diesel Ltd.
1/ 1
WCH03485
8606E0_6 / DN20
8605E0_3 / DN125
8353E0_2 / DN7
8844E0_2 / DN6
8630E0_2 / DN15
8605E0_7 / DN15
8605C1_1 / DN80
8605C2_1 / DN80
8605C3_1 / DN80
8605C4_1 / DN80
8606C4_1 / DN2
0
8606C3_1 / DN20
8606C2_1 / DN20
8606C1_1 / DN20
8606E0_2 / DN20
8606E0_1 / DN50
8606E0_5 / DN7
8606E0_4 / DN15
8605E0_1 / DN125
8353E0_1 / DN7
8844E0_1 / DN6
Cyl.
8353_E0_2
40
Cyl. Cyl. Cyl.
8605_E0_6
8605_C1_1
8605_C2_1
8605_C3_1
8605_C4_1
p >
35274HD
8606_E0_4
CV
7013C
CV
7014C
PT
5017C
PT
4302C
ZS
5018C
PT
4301C
LS
4351A
ZS
5016C
ZS
5123C
ZS
5124C
ST
5101C
ST
5102C
ST
5103C
ST
5104C
ST
5111 S
ST
5112S
ST
5131C
ST
5132C
ST
5133C
ST
5134C
CV
7241C
CV
7242C
CV
7243C
CV
7244C
TE
4081A
TE
4082A
TE
4083A
TE
4084A
8353_E0_1
PS
4341S
1
DG 3225
Disengaging Device
Turning Gear
234
PLANT
ENGINE
DG4003
E
8605C6_1 / DN80
8606C6_1 / DN20
Cyl.
8605_C6_1
CV
7246C
TE
4086A
6
4606E0_2 / DN7
4606E0_3 / DN7
8605E0_8 / DN15
8607E0_1 / DN15
DOC.009
(041.1B)8607E0_2
8630E0_1 / DN15
4606E0_1 / DN7
8606E0_8 / DN7
8606E0_7 / DN15
8606E0_9 / DN20
8606E0_3 / DN20
8608E0_1 / DN65
4606_E0_2
8605_E0_7
8605_E0_4 8605_E0_5
4606_E0_3
4606_E0_4
35287HA
p >
35274HA
p >
8650_E0_1
PT
4341A
PI
4401L
PI
4411L
PT
4401A
PT
4411A
PT
4421C
PT
4421A
45
41
8606_E0_7
LS
4352A
PT
4341C
DG 4605
Control Air Supply
see DG4003
A3
A1
A2
A6
Rupture Discs only if required
A
8607E0_2 Page 9
PLANT
ENGIN
E
Only required if
Waste Gate for
Low Load or
delta T Bypass
Tuning is used
8605C5_1 / DN80
8606C 5_1 / D N 20
Cyl.
8605_C5_1
CV
7245C
TE
4085A
5
8605E6_1 / DN150
8605E6_2 / DN150 8605E6_3 / DN150
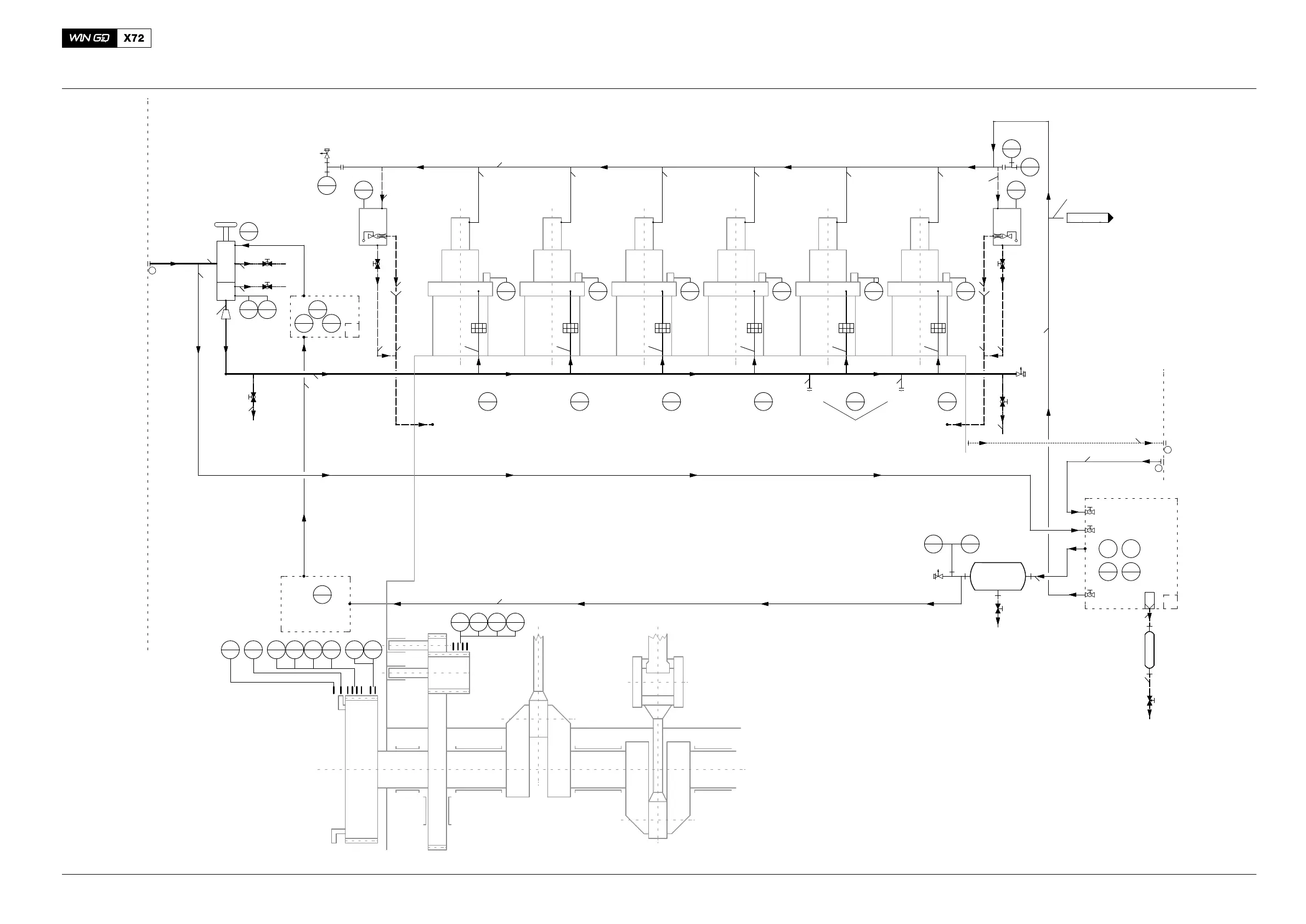
Pipe Diagram Air Systems (Starting Air and Control Air)
201611

Table of Contents

Other manuals for WinGD X72

Related product manuals