EasyManua.ls Logo

WinGD X72 - Page 445

WinGD X72
514 pages
Print Icon
To Next Page IconTo Next Page
To Next Page IconTo Next Page
To Previous Page IconTo Previous Page
To Previous Page IconTo Previous Page
Loading...
Operation
80171/A1
Winterthur Gas & Diesel Ltd.
3/ 3
PLANTENGINE
1
2
14
3
6
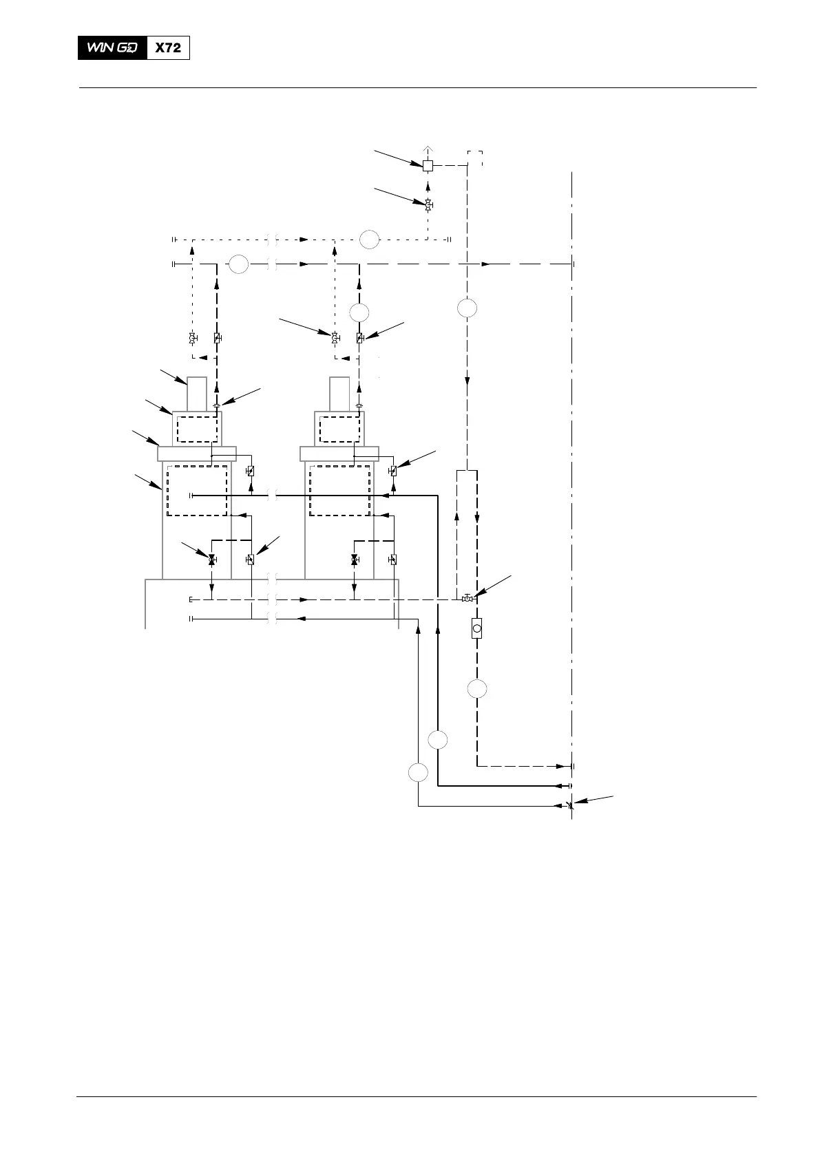
WO
WI
5
7
8
4
9
10
11
12
13
15
17
18
19
20
21
WO Cylinder Cooling16
CYL. 1 CYL. #
Fig. 1: Lubricating Oil System
1 Vent unit 13 Throttle (cylinder outlet)
2 Ball valve 14 Ball valve
3 Butterfly valve (cylinder outlet) 15 Cylinder outlet
4 Butterfly valve (cylinder inlet) 16 Outlet pipe (cylinder cooling water)
5 Ball valve (to drain the system) 17 Outlet pipe (cooling water)
6 Adjustable throttle (water inlet) 18 Supply pipe
7 Butterfly valve (cylinder liner inlet) 19 Inlet pipe (to cylinder liner inlet)
8 Ball valve (to drain the cylinder) 20 Vent pipe
9 Cylinder liner 21 Drain pipe
10 Water guide jacket
11 Cylinder cover WI Cooling water inlet
12 Exhaust valve cage WO Cooling water outlet
2014
Cooling Water System

Table of Contents

Other manuals for WinGD X72

Related product manuals